4.12. CDD IPC Module

4.12.1. Acronyms and Definitions

Abbreviation/Term

Explanation

AUTOSAR

Automotive Open System Architecture

CDD

Complex Device Driver

IPC

Inter Processor Communication

MCAL

Micro Controller Abstraction Layer

API

Application Programming Interface

DET

Default Error Tracer

HW

Hardware

SW

Software

4.12.2. Introduction

The Cdd Ipc driver is a Complex Device Driver that provides services that allows core hosting MCAL/AUTOSAR to communicate with other cores hosting SDK based IPC driver. This driver could be used to transmit and receive variable length messages upto 12 bytes between cores, via logical communication channels.

CDD IPC MCAL AUTOSAR

Fig. 4.49 Cdd Ipc MCAL AUTOSAR

This document details AUTOSAR Cdd Ipc module implementation

Supported AUTOSAR Release

4.3.1

Supported Configuration Variants

Pre-Compile

Vendor ID

CDD_IPC_VENDOR_ID (44)

Module ID

CDD_IPC_MODULE_ID (255)

4.12.3. Functional Overview

This device has multiple CPUs on which distinct applications can run. These applications need to communicate with each other to realize the larger system level application. This means of communication is called Inter Processor Communication (IPC). Cdd Ipc modules allows core hosting MCAL/AUTOSAR to communicate with other cores hosting SDK based IPC driver.

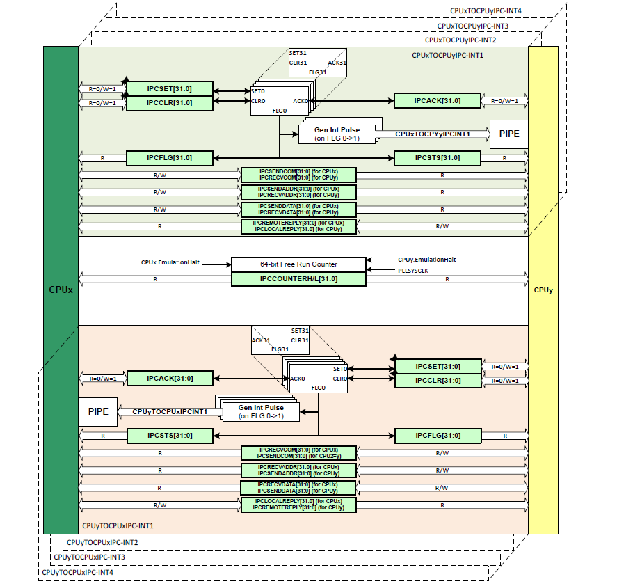
Cdd Ipc module architecture

Fig. 4.50 Cdd Ipc module architecture

As depicted in architecture figure above, Cdd Ipc module has multiple IPC instances in each direction(Tx and Rx) between any two CPU cores. Each IPC instance includes 3 command registers in both Tx and Rx directions, with each register having 4-byte width.These command registers are used to transmit data between CPU cores. This architecture allows for the transmission of up to 12 bytes of data between any two CPU core pairs using a single IPC instance.

Each IPC instance can support up to 255 logical communication channels between two CPU cores, with each channel identified by a unique 8-bit Channel ID ranging from 1 to 255.

Key characteristics:

  • Only one channel can be active for IPC communication within an instance at a time.

  • Tx (Transmission) and Rx (Reception) operate independently of each other.

  • Cdd Ipc provides a configurable option to select the number of IPC instances to be utilized for realizing channels in the Cdd Ipc driver.

  • Cdd Ipc provides a configurable option to Cdd Ipc to integrate the Cdd Ipc driver with the AUTOSAR communication stack.

Tx channels can be configured in two modes:

  • Interrupt Mode: Transmission of a message generates an interrupt on the remote core, notifying it of the incoming message.

  • Polling Mode: The remote core must poll the configured Rx instances to receive messages, as no interrupt is generated upon message arrival.

The length of data, channel ID, Tx channel mode are transmitted between CPU cores using IPCFLG register.

Bit

Purpose

Bit 0

0 - Interrupt mode is not active
1 - Interrupt mode is active

Bit 1

0 - Polling mode is not active
1- Polling mode is active

Bit 2

0 - Not in synchronization process
1- Synchronization in progress

Bit 3 - Bit 15

Reserved for future use

Bit 16 - Bit 23

Channel ID

Bit 24 - Bit 27

No. of bytes transmitted

Bit 28 - Bit 31

Reserved for future use

4.12.3.1. Cdd Ipc Integration with AUTOSAR Communication stack

Ipc is a communication protocol implemented in the Cdd Ipc driver. Similar to other communication protocols such as Can/Lin/Flexray, Ipc can also be integrated with AUTOSAR communication stack. Cdd Ipc is a driver. This driver can directly act as a lower layer module for PduR without needing an interface layer in between. Integration of Cdd Ipc driver with AUTOSAR com stack is optional and can be enabled by configuration parameter ‘CddIpcIntegrationWithAsrComStackEnable’. When it is enabled, Cdd Ipc driver is responsible to call the receive indication to PduR and PduR is responsible to call transmit function to Cdd Ipc. In order to achieve this, correct handle Ids should be configured in both Cdd Ipc and PduR. Please refer to the explanation of “Cdd_Ipc_Transmit” in Cdd Ipc driver.

4.12.4. Hardware Features

4.12.4.1. Hardware Features supported

Features Supported at a high level are:

  • Synchronization: The IPC module allows synchronization between two cores participating in IPC communication.

  • Transmission of PDU: The IPC module allows transmission of Protocol Data Units (PDUs) by writing them to a dedicated buffers in the IPC hardware.

  • Reception of PDU: Upon receiving a Protocol Data Unit (PDU) on a configured Rx instance, the IPC module can invoke the upper layer callback function and PduR Rx indication, passing a pointer to the received PDU as a parameter. This notification informs the upper layer about the successful reception of the PDU.

4.12.4.2. Not supported Features

  • Cdd Ipc driver doesn’t support the transmission of a response to a received message, despite hardware capabilities. To send a response, the application must initiate a separate PDU transmission.

  • Cdd Ipc doesn’t support cancellation of ongoing transmissions.

4.12.4.3. Non compliance

None

4.12.5. Source files

📦f29h85x_mcal
┣ 📂build
┣ 📂docs
┣ 📂drivers
┃ ┣ 📂BSW_Stubs
┃ ┣ 📂Can
┃ ┣ 📂Cdd_Adc
┃ ┣ 📂Cdd_Ecap
┃ ┣ 📂Cdd_Pwm
┃ ┗ 📂Cdd_Ipc
┃ ┃ ┣ 📂include
┃ ┃ ┃ ┣ 📜Cdd_Ipc.h : Contains the API declarations of the Cdd Ipc driver to be used by upper layers.
┃ ┃ ┃ ┗ 📜Cdd_Ipc_Priv.h : Contains data structures and Internal function declarations.
┃ ┃ ┣ 📂src
┃ ┃ ┃ ┣ 📜Cdd_Ipc.c : Contains the implementation of the API for Cdd Ipc driver.
┃ ┃ ┃ ┣ 📜Cdd_Ipc_Irq.c : Contains the implementation for Cdd Ipc interrupts handlers.
┃ ┃ ┃ ┗ 📜Cdd_Ipc_Priv.c : Contains Functions that support the API for Cdd Ipc driver
┃ ┃ ┗ 📜CMakeLists.txt
┃ ┣ 📂Cdd_Uart
┃ ┣ 📂Cdd_Xbar
┃ ┣ 📂Dio
┃ ┣ 📂Gpt
┃ ┣ 📂hw_include
┃ ┣ 📂Lin
┃ ┣ 📂Mcal_Lib
┃ ┣ 📂Mcu
┃ ┣ 📂Port
┃ ┣ 📂Spi
┃ ┗ 📂Wdg
┣ 📂examples
┣ 📂plugins
┣ 📜CMakeLists.txt
┗ 📜CMakePresets.json

Cdd Ipc Header File Structure

Fig. 4.51 Cdd Ipc Header File Structure

4.12.6. Module requirements

4.12.6.1. Memory Mapping

Will be added in later release

4.12.6.2. Scheduling

Schedule Function API

Description

Cdd_Ipc_MainFunction_Read

This function performs the polling of configured IPC Rx instances for incoming messages.

4.12.6.3. Error handling

4.12.6.3.1. Development Error Reporting

Development errors are reported to the DET using the service Det_ReportError(), when enabled. The driver interface contains the MACRO declaration of the error codes to be returned.

4.12.6.4. Error codes

Type of Error

Related Error code

Value (Hex)

API called with uninitialized driver.

CDD_IPC_E_UNINIT

0x01

API called for reinitialization of already initialized driver.

CDD_IPC_E_ALREADY_INITIALIZED

0x02

API called with invalid parameter.

CDD_IPC_E_PARAM_VALUE

0x03

API called with invalid parameter pointer.

CDD_IPC_E_PARAM_POINTER

0x04

API called with invalid data length.

CDD_IPC_E_INVALID_LENGTH

0x05

4.12.7. Used resources

4.12.7.1. Interrupt Handling

The Driver doesn’t register any interrupts handler (ISR), it’s expected that consumer of this driver registers the required interrupt handler.

For every IPC Rx Instance, an ISR requires to be registered. The Interrupt number associated with instance of the IPC is detailed in TRM (also, please refer the Example application). Interrupt category should be selected in the Cdd_Ipc plugin.

Cdd Ipc Instance

Interrupt handler

INT Signal Name

CDD_IPC_CPU1_L_CPU2_R_INST0

Cdd_Ipc_CPU1_L_CPU2_R_INST0_ISR

IPC_INT1_1

CDD_IPC_CPU1_L_CPU2_R_INST1

Cdd_Ipc_CPU1_L_CPU2_R_INST1_ISR

IPC_INT1_2

CDD_IPC_CPU1_L_CPU2_R_INST2

Cdd_Ipc_CPU1_L_CPU2_R_INST2_ISR

IPC_INT1_3

CDD_IPC_CPU1_L_CPU2_R_INST3

Cdd_Ipc_CPU1_L_CPU2_R_INST3_ISR

IPC_INT1_4

CDD_IPC_CPU1_L_CPU3_R_INST0

Cdd_Ipc_CPU1_L_CPU3_R_INST0_ISR

IPC_INT2_1

CDD_IPC_CPU1_L_CPU3_R_INST1

Cdd_Ipc_CPU1_L_CPU3_R_INST1_ISR

IPC_INT2_2

CDD_IPC_CPU1_L_CPU3_R_INST2

Cdd_Ipc_CPU1_L_CPU3_R_INST2_ISR

IPC_INT2_3

CDD_IPC_CPU1_L_CPU3_R_INST3

Cdd_Ipc_CPU1_L_CPU3_R_INST3_ISR

IPC_INT2_4

Note

Same Interrupt Category needs to be configured in both Cdd_Ipc and OS Modules.

4.12.7.2. Instance support

CPU instances

supported

CPU 1

YES

CPU 2

NO

CPU 3

NO

4.12.7.3. Hardware-Software Mapping

Below image shows Cdd Ipc driver Hardware-Software mapping. For more information related to HW/SW mapping, refer the F29x Reference Manual.

Cdd Ipc HW/SW Mapping

Fig. 4.52 Cdd Ipc HW/SW Mapping

4.12.8. Integration description

4.12.8.1. Dependent modules

4.12.8.1.1. PduR

The PDU Router module provides services for routing of routing Protocol Data Units(I-PDUs) between various communication modules, ensuring seamless data transfer across different communication protocols. When the Cdd_Ipc module receives a message, it encapsulates the data into PDUs and sends them to the PduR with PDU id’s. The PduR then routes these PDUs to the appropriate higher-layer modules. User need to configure configure PDUs in ECUC. Cdd_Ipc will generate symbolic names for those PDUs in Cdd_Ipc module.

Note

  • Symbolic names are used to call PduR receive indication.

  • Symbolic name template follows : “PduRConf_PduRSrcPdu_PduRSrcPdu_{PduName}”

    • PduName is the symbolic name configured in EcuC->Pdu Container.

    • PduRSrcPdu_PduName must be the name of source PDU configuration container in PduR routing table.[As a result PduR will generate symbolic name “PduRConf_PduRSrcPdu_PduRSrcPdu_PduName”]

4.12.8.1.2. DET

This implementation depends on the DET in order to report development errors. The detection of development errors is configurable (ON / OFF), The switch CDD_IPC_DEV_ERROR_DETECT will activate or deactivate the detection of all development errors.

4.12.8.1.3. MCU

MCU Module is required to initialize all the clock to be used by different peripherals

4.12.8.1.4. OS

The Cdd_Ipc driver uses interrupts and therefore there is a dependency on the OS, which configures the interrupt sources.

4.12.8.1.5. SchM

If multiple AUTOSAR runnables have access to the same Data Store Memory block, the exported AUTOSAR specification enforces data consistency by using an AUTOSAR exclusive area. With this specification, the runnables have mutually exclusive access to the per-instance memory global data, which prevents data corruption. Beside the OS, the BSW Scheduler provides functions that Cdd_Ipc module calls at begin and end of critical sections. This implementation requires 1 level of exclusive access to guard critical sections.

The data consistency mechanism that has to be applied to an ExclusiveArea might be domain, ECU or even project specific. The decision which mechanism has to be applied by RTE / Basic Software Scheduler is taken during ECU integration by setting the Exclusive Area configuration parameter RteExclusiveAreaImplMechanism. This parameter is an input for RTE generator. For Cdd_Ipc Module, data consistency and exclusive access to critical sections are required for the following sections as shown in the table below:

Exclusive Area Functions used

Cdd_Ipc Function calling Exclusive Area

Need for Exclusive Area

Recommended Exclusive Area Mapping

CDD_IPC_EXCLUSIVE_AREA_0

Cdd_Ipc_Transmit

To protect against multiple access for shared registers, i.e. Ipc Command Registers, which can lead to race condition

OS_RESOURCE : If the Cdd_Ipc_Transmit is only called from pre-emptible task context, its recommended to use this mechanism as it takes care of resource access protection and task priority management.
None: If Cdd_Ipc_Transmit is only called from non pre-emptible task context or during init, its recommended to use this mechanism as multiple access protection to shared resource is not needed.

CDD_IPC_EXCLUSIVE_AREA_1

Cdd_Ipc_MainFunction_Read

To protect again multiple call of upper layer Rx indication API in the Cdd_Ipc_MainFunction_Read API

OS_RESOURCE : If the Cdd_Ipc_MainFunction_Read API is only called from pre-emptible task context, its recommended to use this mechanism as it takes care of task priority management.
None: If Cdd_Ipc_MainFunction_Read API is only called from non pre-emptible task context, its recommended to use this mechanism as multiple access protection to shared resource is not needed.

4.12.8.2. Multi-core and Resource allocator

Not Supported

4.12.9. Configuration

The Cdd Ipc Driver implementation supports single configuration variants, namely Pre-Compile config. The driver expects generated Cdd_Ipc_Cfg.h to be present as input file. The associated Cdd Ipc driver configuration generated source file is Cdd_Ipc_Cfg.c.

The generated configuration files should not be modified manually. The config tool Elektrobit Tresos should be used to modify the configuration files.

Note

Refer section Getting Started with EB Tresos of Chapter MCAL Configuration and EB Tresos for more information on how to load plugin and generate the configuration files.

4.12.9.1. CddIpcConfig

This container contains the configuration parameters and sub containers of the Cdd_Ipc module.

4.12.9.1.1. CddIpcRemoteCoreConfig

This container contains the configuration parameters of the remote cores.

4.12.9.1.1.1. CddIpcRemoteCore

Item

Name

CddIpcRemoteCore

Description

Selects the Cdd Ipc remote cores.

Origin

Texas Instruments

Post-Build-Variant-Value

false

Value-Configuration-Class

Pre-Compile-Time

VARIANT-PRE-COMPILE

Default-value

CDD_IPC_CPU3

4.12.9.1.2. CddIpcTxInstanceConfig

This container contains the configuration parameters of the CddIpc Instances.

4.12.9.1.2.1. CddIpcTxInstance

Item

Name

CddIpcTxInstance

Description

Selects CddIpc Instance.

Origin

Texas Instruments

Post-Build-Variant-Value

false

Value-Configuration-Class

Pre-Compile-Time

VARIANT-PRE-COMPILE

Default-value

CDD_IPC_CPU1_L_CPU2_R_INST0

4.12.9.1.2.2. CddIpcTxChannelConfig

This container contains the configuration parameters of the CddIpc channels.

4.12.9.1.2.3. CddIpcTxChannelId

Item

Name

CddIpcTxChannelId

Description

Channel ID specific to the selected instance, channels configured in the selected instance should have unique values. An instance can have 255 channels ranging from 1-255.

Origin

Texas Instruments

Post-Build-Variant-Value

false

Value-Configuration-Class

Pre-Compile-Time

VARIANT-PRE-COMPILE

Default-value

1

Max-value

255

Min-value

1

4.12.9.1.2.4. CddIpcTxProcessing

Item

Name

CddIpcTxProcessing

Description

Selects the Tx processing type. If CddIpcTxProcessing is selected as CDD_IPC_INTERRUPT, the transmit request triggers an interrupt on the other core. If CddIpcTxProcessing is selected as CDD_IPC_POLLING, the transmit request doesn’t trigger any interrupts on the other core.

Origin

Texas Instruments

Post-Build-Variant-Value

false

Value-Configuration-Class

Pre-Compile-Time

VARIANT-PRE-COMPILE

Default-value

CDD_IPC_INTERRUPT

4.12.9.1.2.5. CddIpcTxGlobalChannelId

Item

Name

CddIpcTxGlobalChannelId

Description

This parameter will be used when CddIpcIntegrationWithAsrComStackEnable is disabled. This channel identifier will be used in transmit function to address the respective channel.

Origin

Texas Instruments

Post-build-variant-multiplicity

false

Post-Build-Variant-Value

false

Value-Configuration-Class

Pre-Compile-Time

VARIANT-PRE-COMPILE

Default-value

0

Max-value

9223372036854775807

Min-value

-9223372036854775808

4.12.9.1.2.6. CddIpcTxPduID

Item

Name

CddIpcTxPduID

Description

Reference to PduId. This parameter will be used when CddIpcIntegrationWithAsrComStackEnable is enabled. This Pdu identifier will be used in transmit function to address the respective channel.

Origin

Texas Instruments

Post-build-variant-multiplicity

false

Post-Build-Variant-Value

false

Value-Configuration-Class

Pre-Compile-Time

VARIANT-PRE-COMPILE

4.12.9.1.3. CddIpcRxInstanceConfig

This container contains the configuration parameters of the CddIpc Instances.

4.12.9.1.3.1. CddIpcRxInstance

Item

Name

CddIpcRxInstance

Description

Selects CddIpc Instance.

Origin

Texas Instruments

Post-Build-Variant-Value

false

Value-Configuration-Class

Pre-Compile-Time

VARIANT-PRE-COMPILE

Default-value

CDD_IPC_CPU1_L_CPU2_R_INST0

4.12.9.1.3.2. CddIpcInteruptType

Item

Name

CddIpcInteruptType

Description

Defines the interrupt type for the specific instance.

Origin

Texas Instruments

Post-Build-Variant-Value

false

Value-Configuration-Class

Pre-Compile-Time

VARIANT-PRE-COMPILE

Default-value

ISR_CAT2_INT

Range

ISR_CAT1_RTINT
ISR_CAT1_INT
ISR_CAT2_INT

4.12.9.1.3.3. CddIpcRxChannelConfig

This container contains the configuration parameters of the CddIpc channels.

4.12.9.1.3.4. CddIpcRxChannelId

Item

Name

CddIpcRxChannelId

Description

Channel ID specific to the selected instance, channels configured in the selected instance should have unique values. An instance can have 255 channels ranging from 1-255.

Origin

Texas Instruments

Post-Build-Variant-Value

false

Value-Configuration-Class

Pre-Compile-Time

VARIANT-PRE-COMPILE

Default-value

1

Max-value

255

Min-value

1

4.12.9.1.3.5. CddIpcUserCallbackFunction

Item

Name

CddIpcUserCallbackFunction

Description

Call back function for the data during reception

Origin

Texas Instruments

Post-build-variant-multiplicity

false

Post-Build-Variant-Value

false

Value-Configuration-Class

Pre-Compile-Time

VARIANT-PRE-COMPILE

Default-value

NULL_PTR

4.12.9.1.3.6. CddIpcRxGlobalChannelId

Item

Name

CddIpcRxGlobalChannelId

Description

This parameter will be used when CddIpcIntegrationWithAsrComStackEnable is disabled. This channel object identifier will be used in configured receive callback function to address the received message from respective channel.

Origin

Texas Instruments

Post-build-variant-multiplicity

false

Post-Build-Variant-Value

false

Value-Configuration-Class

Pre-Compile-Time

VARIANT-PRE-COMPILE

Default-value

0

Max-value

9223372036854775807

Min-value

-9223372036854775808

4.12.9.1.3.7. CddIpcRxPduID

Item

Name

CddIpcRxPduID

Description

Reference to Pduid. This parameter will be used when CddIpcIntegrationWithAsrComStackEnable is enabled. This Pdu identifier will be used in receive function callback to PduR to address the received Pdu from respective channel.

Origin

Texas Instruments

Post-build-variant-multiplicity

false

Post-Build-Variant-Value

false

Value-Configuration-Class

Pre-Compile-Time

VARIANT-PRE-COMPILE

4.12.9.2. CddComStackContribution

Contribution of COM Stack modules.

4.12.9.2.1. CddPduRLowerLayerContribution

Parameters that are necessary for the configuration of a Complex Driver that serves as the LowerLayer of the Pdu Router module.

4.12.9.2.2. CddPduRLowerLayerRxPdu

This container specifies Rx PDUs that are exchanged between the CDD and the standardized BSW module.

4.12.9.2.2.1. CddPduRApiType

Item

Name

CddPduRApiType

Description

This parameter configures the type of the CDD interface (IF/TP)

Origin

AUTOSAR_ECUC

Post-build-variant-multiplicity

false

Post-Build-Variant-Value

false

Default-value

IF

Range

IF

4.12.9.2.2.2. CddPduRLowerLayerHandleId

Item

Name

CddPduRLowerLayerHandleId

Description

ECU wide unique, symbolic handle for the Pdu.

Origin

AUTOSAR_ECUC

Post-build-variant-multiplicity

false

Post-Build-Variant-Value

false

Default-value

0

Max-value

65535

Min-value

0

4.12.9.2.2.3. CddIpcPduRHandle

Item

Name

CddIpcPduRHandle

Description

CddIpcPduRHandle is a symbolic name of the Pdu with which Cdd_Ipc module invokes the receive indication for upper layer. User can modify this parameter to match with the symbolic name used by upper layer.

Origin

Texas Instruments

Post-build-variant-multiplicity

false

Post-Build-Variant-Value

false

Value-Configuration-Class

Pre-Compile-Time

VARIANT-PRE-COMPILE

Default-value

NULL

4.12.9.2.2.4. CddPduRLowerLayerPduRef

Item

Name

CddPduRLowerLayerPduRef

Description

Reference to the “global” Pdu structure to allow harmonization of handle IDs in the COM-Stack.

Origin

AUTOSAR_ECUC

Post-Build-Variant-Value

false

4.12.9.2.3. CddPduRLowerLayerTxPdu

This container specifies Tx PDUs that are exchanged between the CDD and the standardized BSW module.

4.12.9.2.3.1. CddPduRApiType

Item

Name

CddPduRApiType

Description

This parameter configures the type of the CDD interface (IF/TP)

Origin

AUTOSAR_ECUC

Post-build-variant-multiplicity

false

Post-Build-Variant-Value

false

Default-value

IF

Range

IF

4.12.9.2.3.2. CddPduRLowerLayerHandleId

Item

Name

CddPduRLowerLayerHandleId

Description

ECU wide unique, symbolic handle for the Pdu.

Origin

AUTOSAR_ECUC

Post-build-variant-multiplicity

false

Post-Build-Variant-Value

false

Default-value

0

Max-value

65535

Min-value

0

4.12.9.2.3.3. CddPduRLowerLayerPduRef

Item

Name

CddPduRLowerLayerPduRef

Description

Reference to the “global” Pdu structure to allow harmonization of handle IDs in the COM-Stack.

Origin

AUTOSAR_ECUC

Post-Build-Variant-Value

false

4.12.9.3. CddIpcGeneral

Contains the general configuration parameters of the module.

4.12.9.3.1. CddIpcDevErrorDetect

Item

Name

CddIpcDevErrorDetect

Description

Switches the development error detection and notification on or off.

Origin

Texas Instruments

Post-Build-Variant-Value

false

Value-Configuration-Class

Pre-Compile-Time

VARIANT-PRE-COMPILE

Default-value

false

4.12.9.3.2. CddIpcVersionInfoApi

Item

Name

CddIpcVersionInfoApi

Description

Adds / removes the service Cdd_Ipc_GetVersionInfo() from the code.

Origin

Texas Instruments

Post-Build-Variant-Value

false

Value-Configuration-Class

Pre-Compile-Time

VARIANT-PRE-COMPILE

Default-value

false

4.12.9.3.3. CddIpcIntegrationWithAsrComStackEnable

Item

Name

CddIpcIntegrationWithAsrComStackEnable

Description

This parameter is used to enable the integration of Cdd Ipc module with Autosar Com Stack. 0: Cdd Ipc module is not integrated with Autosar Com stack. Transmission and Reception will be handled by another BSW component (Ex: IoHwAb or CDD). 1: Cdd Ipc module is integrated as lower module to PduR in Autosar Com stack. Transmission and Reception will be handled via Com Stack i.e. to and from PduR.

Origin

Texas Instruments

Post-Build-Variant-Value

false

Value-Configuration-Class

Pre-Compile-Time

VARIANT-PRE-COMPILE

Default-value

false

4.12.9.3.4. CddIpcReservedInstances

Item

Name

CddIpcReservedInstances

Description

Number of reserved instances.The reserved instances won’t be available as channels in CDD IPC

Origin

Texas Instruments

Post-Build-Variant-Value

false

Value-Configuration-Class

Pre-Compile-Time

VARIANT-PRE-COMPILE

Default-value

0

Max-value

3

Min-value

0

4.12.9.3.5. CddIpcLocalCore

Item

Name

CddIpcLocalCore

Description

The local core for which the configuration is being done

Origin

Texas Instruments

Post-Build-Variant-Value

false

Value-Configuration-Class

Pre-Compile-Time

VARIANT-PRE-COMPILE

Default-value

CDD_IPC_CPU1

4.12.9.3.6. CddIpcMainFunctionReadPeriod

Item

Name

CddIpcMainFunctionReadPeriod

Description

This parameter describes the period for cyclic call to Cdd_Ipc_MainFunction_Read. Unit is seconds.

Origin

Texas Instruments

Post-Build-Variant-Value

false

Value-Configuration-Class

Pre-Compile-Time

VARIANT-PRE-COMPILE

Default-value

0.01

Max-value

INF

Min-value

1.0E-6

4.12.9.3.7. CddIpcTimeoutDuration

Item

Name

CddIpcTimeoutDuration

Description

Timeout value for synchronization of cores in seconds, if synchronization didn’t happen within this time frame, Cdd_Ipc_Sync will abort and returns E_NOT_OK

Origin

Texas Instruments

Post-Build-Variant-Value

false

Value-Configuration-Class

Pre-Compile-Time

VARIANT-PRE-COMPILE

Default-value

0.1

Max-value

INF

Min-value

1.0E-6

4.12.9.4. Steps To Configure Cdd Ipc Module

  1. Open EB Tresos configurator tool, load Cdd_Ipc module. Select the Precompile Config Variant.

  2. Configure the required parameters.

  3. Save the configuration and generate the configuration.

4.12.10. Examples

The example applications demonstrates usecases of the Cdd Ipc driver APIs. The examples are explained below in detailed.

4.12.10.1. Cdd_Ipc_Example_Interrupt_C29x1

4.12.10.1.1. Overview of Cdd_Ipc_Example_Interrupt_C29x1

  • Cdd_Ipc_Example_Interrupt_C29x1

    • EcuM_Init()

      • Initializes clock to 200 MHz using Mcu_Init().

      • Initializes pins as GPIO Outputs and GPIO Inputs using Port_Init()

      • Initializes Cdd_Ipc driver using Cdd_Ipc_Init()

    • Cdd_Ipc_GetVersionInfo will get the software version info details.

    • Cdd_Ipc_Sync will synchronize the two cores participating in the IPC communication.

    • Cdd_Ipc_Transmit will transmit a PDU to the configured remote core.

4.12.10.2. Setup required to run Cdd_Ipc_Example_Interrupt_C29x1

  • Install Code Composer Studio(CCS) latest version

  • Install latest c29 compiler

  • Connect the hardware and power up

  • Connect the uart set up to check the log on serial console

4.12.10.3. How to run Cdd_Ipc_Example_Interrupt_C29x1

  • Build Cdd_Ipc_Example_Interrupt_C29x1 using cmake

  • Open CCS and connect to CPU1 target

  • Load the Cdd_Ipc_Example_Interrupt_C29x1_merged.out

  • After the program is loaded, run CPU1

4.12.10.4. Sample Logs of Cdd_Ipc_Example_Interrupt_C29x1

Sample Application - STARTS !!!
CDD IPC MCAL Version Info
---------------------
Vendor ID           : 44
Module ID           : 255
SW Major Version    : 1
SW Minor Version    : 0
SW Patch Version    : 0
Synchronizing with remote core CPU3
Synchronized with remote core CPU3
Transmitting message to remote core CPU3
Data transmitted to remote core CPU3:
hello
Data received from remote core CPU3:
hello CPU1
=================================================================================
PASS: IPC example between CPU1 and CPU3 executed successfully

4.12.10.5. Cdd_Ipc_Example_Polling_C29x1

4.12.10.5.1. Overview of Cdd_Ipc_Example_Polling_C29x1

  • Cdd_Ipc_Example_Polling_C29x1

    • EcuM_Init()

      • Initializes clock to 200 MHz using Mcu_Init().

      • Initializes pins as GPIO Outputs and GPIO Inputs using Port_Init()

      • Initializes Cdd_Ipc driver using Cdd_Ipc_Init()

    • Cdd_Ipc_GetVersionInfo will get the software version info details.

    • Cdd_Ipc_Sync will synchronize the two cores participating in the IPC communication.

    • Cdd_Ipc_Transmit will transmit a PDU to the configured remote core.

    • Cdd_Ipc_MainFunction_Read polls for incoming messages in configured Rx instances.

4.12.10.6. Setup required to run Cdd_Ipc_Example_Polling_C29x1

  • Install Code Composer Studio(CCS) latest version

  • Install latest c29 compiler

  • Connect the hardware and power up

  • Connect the uart set up to check the log on serial console

4.12.10.7. How to run Cdd_Ipc_Example_Polling_C29x1

  • Build Cdd_Ipc_Example_Polling_C29x1 using cmake

  • Open CCS and connect to CPU1 target

  • Load the Cdd_Ipc_Example_Polling_C29x1_merged.out

  • After the program is loaded, run CPU1

4.12.10.8. Sample Logs of Cdd_Ipc_Example_Polling_C29x1

Sample Application - STARTS !!!
CDD IPC MCAL Version Info
---------------------
Vendor ID           : 44
Module ID           : 255
SW Major Version    : 1
SW Minor Version    : 0
SW Patch Version    : 0
Synchronizing with remote core CPU3
Synchronized with remote core CPU3
Transmitting message to remote core CPU3
Data transmitted to remote core CPU3:
hello
Data received from remote core CPU3:
hello CPU1
=================================================================================
PASS: IPC example between CPU1 and CPU3 executed successfully 

4.12.10.9. File Structure

📦f29h85x_mcal
┣ 📂build
┣ 📂docs
┣ 📂drivers
┣ 📂examples
┃ ┣ 📂AppUtils
┃ ┣ 📂Can
┃ ┣ 📂Cdd_Adc
┃ ┣ 📂Cdd_Ecap
┃ ┣ 📂Cdd_Pwm
┃ ┣ 📂Cdd_Uart
┃ ┣ 📂Cdd_Xbar
┃ ┣ 📂DeviceSupport
┃ ┣ 📂Dio
┃ ┣ 📂Gpt
┃ ┣ 📂Lin
┃ ┣ 📂Mcu
┃ ┣ 📂Port
┃ ┣ 📂Spi
┃ ┣ 📂Wdg
┃ ┣ 📂Cdd Ipc
┃ ┃ ┣ 📂 Cdd_Ipc_Example_Interrupt_C29x1
┃ ┃ ┗ 📂 Cdd_Ipc_Example_Polling_C29x1
┃ ┃ ┃ ┣ 📂ccs
┃ ┃ ┃ ┃ ┗ 📜Cdd_Ipc_Example_Polling_C29x1.projectspec
┃ ┃ ┃ ┣ 📂Cdd_Ipc_Example_Polling_C29x1_Config
┃ ┃ ┃ ┃ ┃ ┣ 📜Dem.xdm
┃ ┃ ┃ ┃ ┃ ┣ 📜EcuM.xdm
┃ ┃ ┃ ┃ ┃ ┣ 📜Mcu.xdm
┃ ┃ ┃ ┃ ┃ ┣ 📜Os.xdm
┃ ┃ ┃ ┃ ┃ ┣ 📜Port.xdm
┃ ┃ ┃ ┃ ┃ ┗ 📜Cdd_Ipc.xdm : Generated EB Tresos config file in .xdm format
┃ ┃ ┃ ┃ ┣ 📂include
┃ ┃ ┃ ┃ ┃ ┣ 📜Dem_Cfg.h
┃ ┃ ┃ ┃ ┃ ┣ 📜EcuM_Cfg.h
┃ ┃ ┃ ┃ ┃ ┣ 📜Mcu_Cfg.h
┃ ┃ ┃ ┃ ┃ ┣ 📜Os_Cfg.h
┃ ┃ ┃ ┃ ┃ ┣ 📜Port_Cfg.h
┃ ┃ ┃ ┃ ┃ ┣ 📜Cdd_Ipc_Cbk.h : Contains the exported function prototypes
┃ ┃ ┃ ┃ ┃ ┗ 📜Cdd_Ipc_Cfg.h : Contains the generated pre-compiler configuration header
┃ ┃ ┃ ┃ ┣ 📂src
┃ ┃ ┃ ┃ ┃ ┣ 📜Dem_Cfg.c
┃ ┃ ┃ ┃ ┃ ┣ 📜EcuM_Cfg.c
┃ ┃ ┃ ┃ ┃ ┣ 📜Mcu_PBcfg.c
┃ ┃ ┃ ┃ ┃ ┣ 📜Os_Cfg.c
┃ ┃ ┃ ┃ ┃ ┣ 📜Port_Cfg.c
┃ ┃ ┃ ┃ ┃ ┗ 📜Cdd_Ipc_Cfg.c : Contains the generated pre-compiler configuration source
┃ ┃ ┃ ┃ ┗ 📜CMakeLists.txt
┃ ┃ ┃ ┣ 📜CMakeLists.txt
┃ ┃ ┗ ┗ 📜Cdd_Ipc_Example_Polling_C29x1.c: Example application for Cdd Ipc
┃ ┗ 📜CMakeLists.txt
┣ 📂plugins
┣ 📜CMakeLists.txt
┗ 📜CMakePresets.json