4.11. CDD ECAP Module

4.11.1. Acronyms and Definitions

Abbreviation/Term

Explanation

API

Application Programming Interface

AUTOSAR

Automotive Open System Architecture

Activation condition

Type of edge that activates the measurement. Rising edge, Falling edge or Both edge

ACTIVE state

Input state of a CDD ECAP Channel, an activation edge has been detected.

BSW

Basic Software

CDD

Complex Device Driver

Circular buffer

An area of memory used to store a continuous stream of data by starting again at the beginning of the buffer after reaching the end.

Channel

Represents a logical entity bound to one input signal and the hardware resources for the configured measurement mode.

DET

Default Error Tracer

Duty cycle

Percentage of High Time to Period Time. (High Time / Period Time) * 100%

ECU

Electronic Control Unit

ECAP

Enhanced Capture

ECAP instance

Single ECAP hardware unit

GPIO

General Purpose Input Output

High time

Time in ticks during which signal level is high

HW

Hardware

IDLE state

Input state of an Cdd_Ecap Channel, no activation edge has been detected

Input state

Logical input state of an Cdd_Ecap Channel. It can be ACTIVE or IDLE.

Linear buffer

An area of memory used to store a stream of data by starting at the beginning of the buffer and stopping at the latest on reaching the end.

Low time

Time in ticks during which signal level is low

MCU

Microcontroller unit

Measurement mode

Measurement mode defines the capability for signal acquisition and evaluation. Possible modes: Signal Edge Detection / Notification, Signal Measurement, Timestamp, Edge Counter

Measurement mode, Edge counter

Functionality of an Edge Counter, counting of external edges

Measurement mode, Signal Edge Detection

Notification on signal edges.

Measurement mode, Signal Measurement

Measurement of elapsed High Time, elapsed Low Time, elapsed Period Time and Duty Cycle of an input signal.

Measurement mode, Timestamp

Generation of timestamps for signal edges, see Figure “Cdd_Ecap time stamp”

MCAL

Micro Controller Abstraction Layer

Period time

Time in ticks between consecutive rising edges or falling edges

RTE

Runtime Environment

SW

Software

4.11.2. Introduction

The Cdd ECAP Driver controls the input capture unit (ECAP) of the Texas Instruments F29H85x microcontroller.

Input capture is a fundamental technique used to measure the timing of external events, such as the width or period of pulses generated by sensors or other external devices. These measurements are essential for various automotive applications, including engine control, speed sensing, and position monitoring. The CDD ECAP driver provides a standardized interface for configuring and utilizing the microcontroller’s enhanced CAPture (ECAP) hardware, ensuring that application software can interact with this functionality in a consistent manner across different AUTOSAR-compliant systems.

Cdd ECAP driver provides the following features:

  • Period, Low, High time measurement

  • Edge detection and notification

  • Edge counting

  • Edge time stamping

CDD ECAP MCAL AUTOSAR

Fig. 4.41 Cdd Ecap MCAL AUTOSAR

This document details AUTOSAR Cdd Ecap module implementation

Supported AUTOSAR Release

4.3.1

Supported Configuration Variants

Pre-Compile

Vendor ID

CDD_ECAP_VENDOR_ID (44)

Module ID

CDD_ECAP_MODULE_ID (255)

4.11.3. Functional Overview

F29H85x microcontroller incorporates six independent eCAP modules. These modules are specifically designed to accurately measure the time of arrival of external signals, making them indispensable for applications that require precise timing information. The eCAP peripheral is highly suitable for a wide range of input capture functionalities, such as :

  • Speed measurements of rotating machinery (for example, toothed sprockets sensed by way of Hall sensors)

  • Elapsed time measurements between position sensor pulses

  • Period and duty cycle measurements of pulse train signals or pulse width modulation (PWM) signals

  • Decoding current or voltage amplitude derived from duty cycle encoded current/voltage sensors

4.11.3.1. Input capture modes: Single shot capture mode and Continuous capture mode

F29H85x eCAP peripheral offers a variety of input capture modes, allowing it to be adapted to different types of input signals and measurement requirements.

One fundamental mode is the single-shot capture mode. In this mode, the eCAP module can be configured to capture the time-stamps of up to four sequential external events. After the configured number of events (ranging from one to four, as determined by the stop value setting) has been captured, the capture process is automatically halted, and the time-base counter and the contents of the capture registers are frozen until the eCAP module is explicitly re-armed. This mode is particularly useful for capturing a specific sequence of events or for applications where the input signal is not continuous.

Another key operational mode is the continuous capture mode. In this mode, the eCAP module continuously captures the time-stamps of external events into its four 32-bit capture registers. These registers function as a circular buffer: once all four registers have been filled with timestamp values, the next captured event will overwrite the timestamp in the first register (CAP1), and the process continues. This mode is ideal for continuously monitoring a stream of events and for applications where the time difference between consecutive events (e.g., the period of a signal) needs to be measured.

4.11.3.2. Absolute time-stamp capture and difference (delta) mode

The eCAP peripheral also supports different methods for capturing the timestamps. In absolute time-stamp capture, the 32-bit time-base counter within the eCAP module runs continuously from zero up to its maximum value and then wraps around. When a configured trigger event (an edge on the input signal) occurs, the current value of this continuously running counter is captured and stored in one of the capture registers. This provides an absolute timestamp of when the event occurred relative to the start of the counter. Conversely, in difference (delta) mode time-stamp capture, the 32-bit time-base counter is automatically reset to zero immediately after each successful capture event. In this mode, the value captured into the register represents the time that has elapsed since the previous capture event. This is particularly useful for directly measuring the time interval between consecutive pulses or events without needing to perform a subtraction of absolute timestamps in software.

4.11.3.3. Capture registers and event prescaler

In addition to these capture modes, the eCAP peripheral offers a high degree of flexibility in configuring the trigger events. For each of the four capture registers, the user can independently select the edge polarity of the input signal that will trigger a capture. This means that for different capture events in a sequence, one can configure to trigger on a rising edge, another on a falling edge, or even both edges. This flexibility is essential for analyzing complex input signals and for measuring various signal characteristics like pulse width and period. Furthermore, the eCAP peripheral includes an input capture signal prescaling feature. This prescaler allows the frequency of the clock signal that drives the eCAP’s time-base counter to be divided by a programmable integer value ranging from 2 to 62. By adjusting the prescaler, the user can control the resolution of the time-base counter and the maximum time interval that can be measured before the counter overflows. A higher prescaler value results in a lower counter frequency, thus increasing the maximum measurable time but decreasing the resolution, and vice versa.

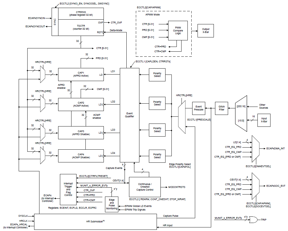
Cdd Ecap Hardware block diagram

Fig. 4.42 Cdd Ecap Hardware Block Diagram

4.11.3.4. Measurement modes

Cdd Ecap Edge Counting Waveform

Fig. 4.43 Cdd Ecap Edge Counting Waveform

Cdd Ecap Timestamping Waveform

Fig. 4.44 Cdd Ecap Timestamping Waveform

Cdd Ecap Edge Detection Waveform

Fig. 4.45 Cdd Ecap Edge Detection Waveform

Cdd Ecap Signal Measurement Waveform

Fig. 4.46 Cdd Ecap Signal Measurement Waveform

ECAP configuration for various activation conditions

Measurement Mode

When Activation condition = Rising Edge

When Activation condition = Falling Edge

When Activation condition = Both Edge

Edge Counter Mode

CAP1 - rising, Wrap at 1

CAP1 - falling, Wrap at 1

CAP1 - falling, CAP2 - rising, Wrap at 2

Time Stamp Mode

CAP1 - rising, Wrap at 1

CAP1 - falling, Wrap at 1

CAP1 - falling, CAP2 - rising, Wrap at 2

Signal Edge Detect

CAP1 - rising, Wrap at 1

CAP1 - falling, Wrap at 1

CAP1 - falling, CAP2 - rising, Wrap at 2

Signal Measurement Mode

CAP1 - falling, CAP2 - rising, CAP3 - falling, CAP4 - rising. Same for all activation conditions

4.11.4. Hardware Features

4.11.4.1. Hardware Features supported

Features Supported at a high level are:

  • 4-event time-stamp registers (CAP1-CAP4 each 32 bits) - in Measurement mode - Timestamping

  • 256:1 input multiplexer

  • 32 bit time counter

  • Edge polarity selection for up to four sequenced time-stamp capture events

  • Interrupt on either of the four events

  • Continuous mode capture of time stamps in a four-deep circular buffer

  • Difference (Delta) mode time-stamp capture and Absolute time-stamp capture

4.11.4.2. Not supported Features

  • Cdd Ecap driver doesn’t support APWM mode (single channel PWM generation from ECAP)

  • Cdd Ecap driver doesn’t support ECAP Synchronization (SYNCIN)

  • Cdd Ecap doesn’t support Signal monitoring units

  • Cdd Ecap doesn’t operate ECAP in Single-shot capture of up to four event time-stamps

4.11.4.3. Non compliance

None

4.11.5. Source files

📦f29h85x_mcal
┣ 📂build
┣ 📂docs
┣ 📂drivers
┃ ┣ 📂BSW_Stubs
┃ ┣ 📂Can
┃ ┣ 📂Cdd_Adc
┃ ┗ 📂Cdd_Ecap
┃ ┃ ┣ 📂include
┃ ┃ ┃ ┣ 📜Cdd_Ecap.h : Contains the API declarations of the Cdd Ecap driver to be used by upper layers.
┃ ┃ ┃ ┗ 📜Cdd_Ecap_Priv.h : Contains data structures and Internal function declarations.
┃ ┃ ┣ 📂src
┃ ┃ ┃ ┣ 📜Cdd_Ecap.c : Contains the implementation of the API for Cdd Ecap driver.
┃ ┃ ┃ ┣ 📜Cdd_Ecap_Irq.c : Contains the implementation for Cdd Ecap interrupts handlers.
┃ ┃ ┃ ┗ 📜Cdd_Ecap_Priv.c : Contains Functions that support the API for Cdd Ecap driver
┃ ┃ ┗ 📜CMakeLists.txt
┃ ┣ 📂Cdd_Ipc
┃ ┣ 📂Cdd_Pwm
┃ ┣ 📂Cdd_Sent
┃ ┣ 📂Cdd_Uart
┃ ┣ 📂Cdd_Xbar
┃ ┣ 📂Dio
┃ ┣ 📂Fls
┃ ┣ 📂Gpt
┃ ┣ 📂hw_include
┃ ┣ 📂Lin
┃ ┣ 📂Mcal_Lib
┃ ┣ 📂Mcu
┃ ┣ 📂Port
┃ ┣ 📂Spi
┃ ┗ 📂Wdg
┣ 📂examples
┣ 📂plugins
┣ 📜CMakeLists.txt
┗ 📜CMakePresets.json

Cdd Ecap Header File Structure

Fig. 4.47 Cdd Ecap Header File Structure

4.11.6. Module requirements

4.11.6.1. Memory Mapping

Will be added in later release

4.11.6.2. Scheduling

None

4.11.6.3. Error handling

4.11.6.3.1. Development Error Reporting

Development errors are reported to the DET using the service Det_ReportError(), when enabled. The driver interface contains the MACRO declaration of the error codes to be returned.

4.11.6.4. Error codes

Type of Error

Related Error code

Value (Hex)

API service called with invalid pointer

CDD_ECAP_E_PARAM_POINTER

0x0AU

API service called with invalid channel identifier or channel not configured

CDD_ECAP_E_PARAM_CHANNEL

0x0BU

API service called with an invalid or not feasible activation

CDD_ECAP_E_PARAM_ACTIVATION

0x0CU

Init Function Failed

CDD_ECAP_E_INIT_FAILED

0x0DU

API service used with invalid Buffer size

CDD_ECAP_E_PARAM_BUFFER_SIZE

0x0EU

API service called with invalid mode

CDD_ECAP_E_PARAM_MODE

0x0FU

API service called without module initialization

CDD_ECAP_E_UNINIT

0x14U

Cdd_Ecap_StopTimestamp called on channel not started or already stopped

CDD_ECAP_E_NOT_STARTED

0x15U

API service called while a running operation

CDD_ECAP_E_BUSY_OPERATION

0x16U

API service Cdd_Ecap_Init called when module already initialized

CDD_ECAP_E_ALREADY_INITIALIZED

0x17U

API service called when notify interval is invalid

CDD_ECAP_E_PARAM_NOTIFY_INTERVAL

0x18U

API service Cdd_Ecap_GetVersionInfo called and parameter is invalid

CDD_ECAP_E_PARAM_VINFO

0x19U

4.11.7. Used resources

4.11.7.1. Interrupt Handling

The Driver doesn’t register any interrupts handler (ISR), it’s expected that consumer of this driver registers the required interrupt handler.

For every Cdd ECAP channel, an ISR requires to be registered. The Interrupt number associated with instance of the ECAP is detailed in TRM (also, please refer the Example application). Interrupt category should be selected in the Cdd_Ecap plugin.

Cdd_Ecap driver provides ISRs. The ISRs are implemented in the Cdd_Ecap_Irq.c file.

Cdd Ecap ChannelInstance

Interrupt handler

INT Signal Name

CDD ECAP Channel 0

Cdd_Ecap_ch0Notify

Depends on the ECAP HW instance used for the Cdd ECAP channel. ECAP1_INT/ECAP2_INT/ECAP3_INT/ECAP4_INT/ECAP5_INT/ECAP6_INT

CDD ECAP Channel 1

Cdd_Ecap_ch1Notify

Depends on the ECAP HW instance used for the Cdd ECAP channel. ECAP1_INT/ECAP2_INT/ECAP3_INT/ECAP4_INT/ECAP5_INT/ECAP6_INT

CDD ECAP Channel 2

Cdd_Ecap_ch2Notify

Depends on the ECAP HW instance used for the Cdd ECAP channel. ECAP1_INT/ECAP2_INT/ECAP3_INT/ECAP4_INT/ECAP5_INT/ECAP6_INT

CDD ECAP Channel 3

Cdd_Ecap_ch3Notify

Depends on the ECAP HW instance used for the Cdd ECAP channel. ECAP1_INT/ECAP2_INT/ECAP3_INT/ECAP4_INT/ECAP5_INT/ECAP6_INT

CDD ECAP Channel 4

Cdd_Ecap_ch4Notify

Depends on the ECAP HW instance used for the Cdd ECAP channel. ECAP1_INT/ECAP2_INT/ECAP3_INT/ECAP4_INT/ECAP5_INT/ECAP6_INT

CDD ECAP Channel 5

Cdd_Ecap_ch5Notify

Depends on the ECAP HW instance used for the Cdd ECAP channel. ECAP1_INT/ECAP2_INT/ECAP3_INT/ECAP4_INT/ECAP5_INT/ECAP6_INT

Note

Same Interrupt Category needs to be configured in both Cdd_Ecap and OS Modules.

4.11.7.2. Instance support

CPU instances

supported

CPU 1

YES

CPU 2

NO

CPU 3

NO

4.11.7.3. Hardware-Software Mapping

Below image shows Cdd Ecap driver Hardware-Software mapping. For more information related to HW/SW mapping, refer the F29x Reference Manual.

Cdd Ecap HW/SW Mapping

Fig. 4.48 Cdd Ecap HW/SW Mapping

4.11.8. Integration description

4.11.8.1. Dependent modules

4.11.8.1.1. DET

This implementation depends on the DET in order to report development errors. The detection of development errors is configurable (ON / OFF), The switch CDD_ECAP_DEV_ERROR_DETECT will activate or deactivate the detection of all development errors.

4.11.8.1.2. MCU

MCU Module is required to initialize all the clock to be used by different peripherals

4.11.8.1.3. OS

The Cdd_Ecap driver uses interrupts and therefore there is a dependency on the OS, which configures the interrupt sources.

4.11.8.1.4. SchM

If multiple AUTOSAR runnables have access to the same Data Store Memory block, the exported AUTOSAR specification enforces data consistency by using an AUTOSAR exclusive area. With this specification, the runnables have mutually exclusive access to the per-instance memory global data, which prevents data corruption. Beside the OS, the BSW Scheduler provides functions that Cdd_Ecap module calls at begin and end of critical sections. This implementation requires 1 level of exclusive access to guard critical sections.

The data consistency mechanism that has to be applied to an ExclusiveArea might be domain, ECU or even project specific. The decision which mechanism has to be applied by RTE / Basic Software Scheduler is taken during ECU integration by setting the Exclusive Area configuration parameter RteExclusiveAreaImplMechanism. This parameter is an input for RTE generator. For Cdd_Ecap Module, data consistency and exclusive access to critical sections are required for the following sections as shown in the table below:

Exclusive Area Functions used

Cdd_Ecap Function calling Exclusive Area

Need for Exclusive Area

Recommended Exclusive Area Mapping

CDD_ECAP_EXCLUSIVE_AREA_0

Cdd_Ecap_DisableNotificationEcap
Cdd_Ecap_EnableNotificationEcap
Cdd_Ecap_SetActivationConditionEcap
Cdd_Ecap_GetInputStateEcap
Cdd_Ecap_EnableEdgeDetectionEcap
Cdd_Ecap_DisableEdgeDetectionEcap
Cdd_Ecap_StartTimestampEcap
Cdd_Ecap_StopTimestampEcap
Cdd_Ecap_GetTimestampIndexEcap
Cdd_Ecap_ResetEdgeCountEcap
Cdd_Ecap_EnableEdgeCountEcap
Cdd_Ecap_DisableEdgeCountEcap
Cdd_Ecap_GetEdgeNumbersEcap
Cdd_Ecap_StartSignalMeasurementEcap
Cdd_Ecap_StopSignalMeasurementEcap
Cdd_Ecap_GetTimeElapsedEcap
Cdd_Ecap_GetDutyCycleValues

To protect against multiple access for shared resources

ALL_INTERRUPT_BLOCKING : All interrupts should be blocked as this API’s can be called in the interrupts

4.11.8.2. Multi-core and Resource allocator

Not Supported

4.11.9. Configuration

The Cdd Ecap Driver implementation supports single configuration variants, namely Pre-Compile config. The driver expects generated Cdd_Ecap_Cfg.h to be present as input file. The associated Cdd Ecap driver configuration generated source file is Cdd_Ecap_Cfg.c.

The generated configuration files should not be modified manually. The config tool Elektrobit Tresos should be used to modify the configuration files.

Note

Refer section Getting Started with EB Tresos of Chapter MCAL Configuration and EB Tresos for more information on how to load plugin and generate the configuration files.

4.11.9.1. CddEcapConfigSet

This container contains the configuration parameters and sub containers of the AUTOSAR CddEcap module.

4.11.9.1.1. CddEcapChannel

Configuration of an individual CDD ECAP channel.

4.11.9.1.1.1. CddEcapChannelId

Item

Name

CddEcapChannelId

Description

Channel Id of the CDD ECAP channel. This value will be assigned to the symbolic name derived of the CddEcapChannel container short name.

Origin

Texas Instruments

Post-Build-Variant-Value

false

Value-Configuration-Class

Pre-Compile-Time

VARIANT-PRE-COMPILE

Default-value

1

Max-value

5

Min-value

0

4.11.9.1.1.2. CddEcapDefaultStartEdge

Item

Name

CddEcapDefaultStartEdge

Description

Configures the default-activation-edge which shall be used for this channel if there was no activation-edge configured by the call of service CddEcap_SetActivationCondition().

Origin

Texas Instruments

Post-Build-Variant-Value

false

Value-Configuration-Class

Pre-Compile-Time

VARIANT-PRE-COMPILE

Default-value

CDD_ECAP_RISING_EDGE

Range

CDD_ECAP_BOTH_EDGES
CDD_ECAP_FALLING_EDGE
CDD_ECAP_RISING_EDGE

4.11.9.1.1.3. CddEcapInputSelect

Item

Name

CddEcapInputSelect

Description

Configures the source to be used in order to give CDD ECAP the required input

Origin

Texas Instruments

Post-Build-Variant-Value

false

Value-Configuration-Class

Pre-Compile-Time

VARIANT-PRE-COMPILE

Default-value

CDD_ECAP_INPUT_INPUTXBAR1

4.11.9.1.1.4. CddEcapIrqType

Item

Name

CddEcapIrqType

Description

Type of Isr function:
void functionname(void)
CAT1 see description in oil tool : interrupt void func(void)
CAT2 see description in oil tool : ISR(func)

Origin

Texas Instruments

Post-Build-Variant-Value

false

Value-Configuration-Class

Pre-Compile-Time

VARIANT-PRE-COMPILE

Default-value

ISR_CAT1_INT

Range

ISR_CAT1_INT
ISR_CAT1_RINT
ISR_CAT2_INT

4.11.9.1.1.5. CddEcapMeasurementMode

Item

Name

CddEcapMeasurementMode

Description

Configures the measurement mode of this channel.

Origin

Texas Instruments

Post-Build-Variant-Value

false

Value-Configuration-Class

Pre-Compile-Time

VARIANT-PRE-COMPILE

Default-value

CDD_ECAP_MODE_EDGE_COUNTER

Range

CDD_ECAP_MODE_EDGE_COUNTER
CDD_ECAP_MODE_SIGNAL_EDGE_DETECT
CDD_ECAP_MODE_SIGNAL_MEASUREMENT
CDD_ECAP_MODE_TIMESTAMP

4.11.9.1.1.6. CddEcapPrescaler

Item

Name

CddEcapPrescaler

Description

Configures the prescale value, keep it as 0 if you want to bypass it

Origin

Texas Instruments

Post-Build-Variant-Value

false

Value-Configuration-Class

Pre-Compile-Time

VARIANT-PRE-COMPILE

Default-value

CDD_ECAP_PRESCALAR_1

4.11.9.1.1.7. CddEcapClkFrequency

Item

Name

CddEcapClkFrequency

Description

Reference to a container of the type McuClockReferencePoint, to select an input clock.

Origin

Texas Instruments

Post-Build-Variant-Value

false

Value-Configuration-Class

Pre-Compile-Time

VARIANT-PRE-COMPILE

Default-value

200000000

Max-value

200000000

Min-value

2000000

4.11.9.1.1.8. CddEcapFunctionalClock

Item

Name

CddEcapFunctionalClock

Description

Reference to a container of the type McuClockReferencePoint, to select an input clock.

Origin

Texas Instruments

Post-Build-Variant-Value

false

Value-Configuration-Class

Pre-Compile-Time

VARIANT-PRE-COMPILE

4.11.9.1.2. CddEcapSignalMeasurement

This container contains the configuration (parameters) in case the measurement mode is “CddEcapSignalMeasurement”

4.11.9.1.2.1. CddEcapSignalMeasurementProperty

Item

Name

CddEcapSignalMeasurementProperty

Description

Configures the property that could be measured in case the mode is “CddEcapSignalMeasurement”.

Origin

Texas Instruments

Post-Build-Variant-Value

false

Value-Configuration-Class

Pre-Compile-Time

VARIANT-PRE-COMPILE

Default-value

CDD_ECAP_HIGH_TIME

Range

CDD_ECAP_DUTY_CYCLE
CDD_ECAP_HIGH_TIME
CDD_ECAP_LOW_TIME
CDD_ECAP_PERIOD_TIME

4.11.9.1.3. CddEcapTimestampMeasurement

This container contains the configuration (parameters) in case the measurement mode is “CddEcapTimestamp”

4.11.9.1.3.1. CddEcapTimestampMeasurementProperty

Item

Name

CddEcapTimestampMeasurementProperty

Description

Configures the handling of the buffer in case the mode is “Timestamp”

Origin

Texas Instruments

Post-Build-Variant-Value

false

Value-Configuration-Class

Pre-Compile-Time

VARIANT-PRE-COMPILE

Default-value

CDD_ECAP_CIRCULAR_BUFFER

Range

CDD_ECAP_CIRCULAR_BUFFER
CDD_ECAP_LINEAR_BUFFER

4.11.9.1.3.2. CddEcapTimestampNotification

Item

Name

CddEcapTimestampNotification

Description

Notification function if the number of requested timestamps

Multiplicity-Configuration-Class

Pre-Compile Time

VARIANT-PRE-COMPILE

Origin

Texas Instruments

Post-build-variant-multiplicity

false

Post-Build-Variant-Value

false

Value-Configuration-Class

Pre-Compile-Time

VARIANT-PRE-COMPILE

Default-value

NULL_PTR

4.11.9.1.4. CddEcapSignalEdgeDetection

This container contains the configuration (parameters) in case the measurement mode is “CddEcapSignalEdgeDetection”

4.11.9.1.4.1. CddEcapSignalNotification

Item

Name

CddEcapSignalNotification

Description

Notification function for signal notification.

Multiplicity-Configuration-Class

Pre-Compile Time

VARIANT-PRE-COMPILE

Origin

Texas Instruments

Post-build-variant-multiplicity

false

Post-Build-Variant-Value

false

Value-Configuration-Class

Pre-Compile-Time

VARIANT-PRE-COMPILE

Default-value

NULL_PTR

4.11.9.2. CddEcapGeneral

Configuration of general CDD ECAP parameters.

4.11.9.2.1. CddEcapDevErrorDetect

Item

Name

CddEcapDevErrorDetect

Description

Switches the development error detection and notification on or off.

Origin

Texas Instruments

Post-Build-Variant-Value

false

Value-Configuration-Class

Pre-Compile-Time

VARIANT-PRE-COMPILE

Default-value

false

4.11.9.2.2. CddEcapDeInitApi

Item

Name

CddEcapDeInitApi

Description

Adds / removes the service CddEcap_DeInit() from the code.

Origin

Texas Instruments

Post-Build-Variant-Value

false

Value-Configuration-Class

Pre-Compile-Time

VARIANT-PRE-COMPILE

Default-value

true

4.11.9.2.3. CddEcapEdgeCountApi

Item

Name

CddEcapEdgeCountApi

Description

Adds / removes all services related to the edge counting functionality as listed below, from the code: CddEcap_ResetEdgeCount(), CddEcap_EnableEdgeCount(), CddEcap_DisableEdgeCount(), CddEcap_GetEdgeNumbers().

Origin

Texas Instruments

Post-Build-Variant-Value

false

Value-Configuration-Class

Pre-Compile-Time

VARIANT-PRE-COMPILE

Default-value

false

4.11.9.2.4. CddEcapEdgeDetectApi

Item

Name

CddEcapEdgeDetectApi

Description

Adds / removes the services related to the edge detection functionality, from the code:

Origin

Texas Instruments

Post-Build-Variant-Value

false

Value-Configuration-Class

Pre-Compile-Time

VARIANT-PRE-COMPILE

Default-value

false

4.11.9.2.5. CddEcapGetDutyCycleValuesApi

Item

Name

CddEcapGetDutyCycleValuesApi

Description

Adds / removes the service CddEcap_GetDutyCycleValues() from the code.

Origin

Texas Instruments

Post-Build-Variant-Value

false

Value-Configuration-Class

Pre-Compile-Time

VARIANT-PRE-COMPILE

Default-value

false

4.11.9.2.6. CddEcapGetInputStateApi

Item

Name

CddEcapGetInputStateApi

Description

Adds / removes the service CddEcap_GetInputState() from the code.

Origin

Texas Instruments

Post-Build-Variant-Value

false

Value-Configuration-Class

Pre-Compile-Time

VARIANT-PRE-COMPILE

Default-value

false

4.11.9.2.7. CddEcapGetTimeElapsedApi

Item

Name

CddEcapGetTimeElapsedApi

Description

Adds / removes the service CddEcap_GetTimeElapsed() from the code.

Origin

Texas Instruments

Post-Build-Variant-Value

false

Value-Configuration-Class

Pre-Compile-Time

VARIANT-PRE-COMPILE

Default-value

false

4.11.9.2.8. CddEcapGetVersionInfoApi

Item

Name

CddEcapGetVersionInfoApi

Description

Adds / removes the service CddEcap_GetVersionInfo() from the code.

Origin

Texas Instruments

Post-Build-Variant-Value

false

Value-Configuration-Class

Pre-Compile-Time

VARIANT-PRE-COMPILE

Default-value

false

4.11.9.2.9. CddEcapSignalMeasurementApi

Item

Name

CddEcapSignalMeasurementApi

Description

Adds / removes the services CddEcap_StartSignalMeasurement() and CddEcap_StopSignalMeasurement() from the code.

Origin

Texas Instruments

Post-Build-Variant-Value

false

Value-Configuration-Class

Pre-Compile-Time

VARIANT-PRE-COMPILE

Default-value

true

4.11.9.3. Steps To Configure Cdd Ecap Module

  1. Open EB Tresos configurator tool, load Cdd_Ecap module. Select the Precompile Config Variant.

  2. Configure the required parameters.

  3. Save the configuration and generate the configuration.

4.11.10. Examples

The example applications demonstrates usecases of the Cdd Ecap driver APIs. The examples are explained below in detailed.

4.11.10.1. Cdd_Ecap_Capture_Signal

4.11.10.1.1. Overview of Cdd_Ecap_Capture_Signal

This example configures 4 channels of Cdd ECAP in different modes and captures a PWM signal.

Cdd Ecap Channel

Measurement Mode

Input

ECAP Instance and interrupt used

Notification handler

Activation

Other

Channel 0

Signal Measurement Mode

INPUTXBAR7

ECAP1, Interrupt 78

Signal Measurement property is Duty Cycle

Channel 1

Time Stamp Mode

INPUTXBAR7

ECAP2, Interrupt 79

TimeStampNotify

Rising Edge

Buffer type is Circular

Channel 2

Edge Counter Mode

INPUTXBAR7

ECAP3, Interrupt 80

Rising Edge

Channel 3

Signal Edge Detect

INPUTXBAR7

ECAP4, Interrupt 81

SignalNotify

Rising Edge

Input Xbar 7 is configured to use GPIO1 as input PWM signal (EPWM1_A) is generated on the GPIO0.

  • Cdd_Ecap_Capture_Signal

    • EcuM_Init()

      • Initializes clock to 200 MHz using Mcu_Init().

      • Initializes pins as GPIO Outputs and GPIO Inputs using Port_Init()

      • Initializes Cdd_Ecap driver using Cdd_Ecap_Init()

    • Cdd_Ecap_StartSignalMeasurement starts signal measurement on Cdd ECAP Channel 0 using ECAP0. Cdd_Ecap_GetDutyCycleValues and Cdd_Ecap_GetTimeElapsed gets duty cycle values.

    • Cdd_Ecap_StartTimestamp starts timestamping on Cdd ECAP Channel 1 using ECAP1 and Cdd_Ecap_EnableNotification enables timestamp notification

    • Cdd_Ecap_EnableEdgeCount starts edge counting on Cdd ECAP Channel 2 using ECAP2

    • Cdd_Ecap_EnableEdgeDetection starts edge detection on Cdd ECAP Channel 3 using ECAP3 and Cdd_Ecap_EnableNotification enables edge detection notification. Cdd_Ecap_GetInputState gets input state

    • Cdd_Ecap_DeInit de-initializes Cdd ECAP

4.11.10.2. Setup required to run Cdd_Ecap_Capture_Signal

  • Install Code Composer Studio(CCS) latest version

  • Install latest c29 compiler

  • Connect the hardware (Loopback from GPIO0 to GPIO1. On HSEC dock, this is from HSEC49 to HSEC50) and power up

  • Connect the uart set up to check the log on serial console

4.11.10.3. How to run Cdd_Ecap_Capture_Signal

  • Open CCS and import Cdd Ecap Example

  • Build project and start debug project

4.11.10.4. Sample Logs of Cdd_Ecap_Capture_Signal

Executing Cdd_Ecap_Capture_Signal example
High time of the signal is: 251
Period of the signal is: 1002

4.11.10.5. File Structure

📦f29h85x_mcal
┣ 📂build
┣ 📂docs
┣ 📂drivers
┣ 📂examples
┃ ┣ 📂AppUtils
┃ ┣ 📂Can
┃ ┣ 📂Cdd_Adc
┃ ┣ 📂Cdd Ecap
┃ ┃ ┣ 📂 Cdd_Ecap_Capture_Signal
┃ ┃ ┃ ┣ 📂CCS
┃ ┃ ┃ ┃ ┗ 📜Cdd_Ecap_Capture_Signal.projectspec
┃ ┃ ┃ ┣ 📂Cdd_Ecap_Capture_Signal_Config
┃ ┃ ┃ ┃ ┣ 📂config
┃ ┃ ┃ ┃ ┃ ┣ 📜Dem.xdm
┃ ┃ ┃ ┃ ┃ ┣ 📜EcuM.xdm
┃ ┃ ┃ ┃ ┃ ┣ 📜Mcu.xdm
┃ ┃ ┃ ┃ ┃ ┣ 📜Os.xdm
┃ ┃ ┃ ┃ ┃ ┣ 📜Port.xdm
┃ ┃ ┃ ┃ ┃ ┣ 📜Cdd_Pwm.xdm
┃ ┃ ┃ ┃ ┃ ┣ 📜Cdd_Xbar.xdm
┃ ┃ ┃ ┃ ┃ ┗ 📜Cdd_Ecap.xdm : Generated EB Tresos config file in .xdm format
┃ ┃ ┃ ┃ ┣ 📂include
┃ ┃ ┃ ┃ ┃ ┣ 📜Dem_Cfg.h
┃ ┃ ┃ ┃ ┃ ┣ 📜EcuM_Cfg.h
┃ ┃ ┃ ┃ ┃ ┣ 📜Mcu_Cfg.h
┃ ┃ ┃ ┃ ┃ ┣ 📜Os_Cfg.h
┃ ┃ ┃ ┃ ┃ ┣ 📜Port_Cfg.h
┃ ┃ ┃ ┃ ┃ ┣ 📜Cdd_Pwm.h
┃ ┃ ┃ ┃ ┃ ┣ 📜Cdd_Xbar.h
┃ ┃ ┃ ┃ ┃ ┗ 📜Cdd_Ecap_Cfg.h : Contains the generated pre-compiler configuration header
┃ ┃ ┃ ┃ ┣ 📂src
┃ ┃ ┃ ┃ ┃ ┣ 📜Dem_Cfg.c
┃ ┃ ┃ ┃ ┃ ┣ 📜EcuM_Cfg.c
┃ ┃ ┃ ┃ ┃ ┣ 📜Mcu_PBcfg.c
┃ ┃ ┃ ┃ ┃ ┣ 📜Os_Cfg.c
┃ ┃ ┃ ┃ ┃ ┣ 📜Port_Cfg.c
┃ ┃ ┃ ┃ ┃ ┣ 📜Cdd_Pwm.c
┃ ┃ ┃ ┃ ┃ ┣ 📜Cdd_Xbar.c
┃ ┃ ┃ ┃ ┃ ┗ 📜Cdd_Ecap_Cfg.c : Contains the generated pre-compiler configuration source
┃ ┃ ┃ ┃ ┣ 📂swcd
┃ ┃ ┃ ┃ ┃ ┗ 📜Cdd_Xbar_BSWMD.arxml
┃ ┃ ┃ ┃ ┗ 📜CMakeLists.txt
┃ ┃ ┃ ┣ 📜CMakeLists.txt
┃ ┃ ┗ ┗ 📜Cdd_Ecap_Capture_Signal.c: Example application for Cdd Ecap
┃ ┗ 📜CMakeLists.txt
┃ ┣ 📂Cdd_Ipc
┃ ┣ 📂Cdd_Pwm
┃ ┣ 📂Cdd_Sent
┃ ┣ 📂Cdd_Uart
┃ ┣ 📂Cdd_Xbar
┃ ┣ 📂DeviceSupport
┃ ┣ 📂Dio
┃ ┣ 📂Fls
┃ ┣ 📂Gpt
┃ ┣ 📂Lin
┃ ┣ 📂Mcu
┃ ┣ 📂Port
┃ ┣ 📂Spi
┃ ┗ 📂Wdg
┣ 📂plugins
┣ 📜CMakeLists.txt
┗ 📜CMakePresets.json