4.12. CDD ECAP Module

4.12.1. Acronyms and Definitions

Abbreviation/Term

Explanation

API

Application Programming Interface

AUTOSAR

Automotive Open System Architecture

Activation condition

Type of edge that activates the measurement. Rising edge, Falling edge or Both edge

ACTIVE state

Input state of a CDD ECAP Channel, an activation edge has been detected.

BSW

Basic Software

CDD

Complex Device Driver

Circular buffer

An area of memory used to store a continuous stream of data by starting again at the beginning of the buffer after reaching the end.

Channel

Represents a logical entity bound to one input signal and the hardware resources for the configured measurement mode.

DET

Default Error Tracer

Duty cycle

Percentage of High Time to Period Time. (High Time / Period Time) * 100%

ECU

Electronic Control Unit

ECAP

Enhanced Capture

HRCAP

High resolution Capture

ECAP instance

Single ECAP hardware unit

GPIO

General Purpose Input Output

High time

Time in ticks during which signal level is high

HW

Hardware

IDLE state

Input state of an Cdd_Ecap Channel, no activation edge has been detected

Input state

Logical input state of an Cdd_Ecap Channel. It can be ACTIVE or IDLE.

Linear buffer

An area of memory used to store a stream of data by starting at the beginning of the buffer and stopping at the latest on reaching the end.

Low time

Time in ticks during which signal level is low

MCU

Microcontroller unit

Measurement mode

Measurement mode defines the capability for signal acquisition and evaluation. Possible modes: Signal Edge Detection / Notification, Signal Measurement, Timestamp, Edge Counter

Measurement mode, Edge counter

Functionality of an Edge Counter, counting of external edges

Measurement mode, Signal Edge Detection

Notification on signal edges.

Measurement mode, Signal Measurement

Measurement of elapsed High Time, elapsed Low Time, elapsed Period Time and Duty Cycle of an input signal.

Measurement mode, Timestamp

Generation of timestamps for signal edges, see Figure “Cdd_Ecap time stamp”

MCAL

Micro Controller Abstraction Layer

Period time

Time in ticks between consecutive rising edges or falling edges

RTE

Runtime Environment

SW

Software

4.12.2. Introduction

The Cdd ECAP Driver controls the input capture unit (ECAP) of the Texas Instruments F29H85x microcontroller.

Input capture is a fundamental technique used to measure the timing of external events, such as the width or period of pulses generated by sensors or other external devices. These measurements are essential for various automotive applications, including engine control, speed sensing, and position monitoring. The CDD ECAP driver provides a standardized interface for configuring and utilizing the microcontroller’s enhanced CAPture (ECAP) hardware, ensuring that application software can interact with this functionality in a consistent manner across different AUTOSAR-compliant systems.

Cdd ECAP driver provides the following features:

  • Period, Low, High time measurement

  • Edge detection and notification

  • Edge counting

  • Edge time stamping

CDD ECAP MCAL AUTOSAR

Fig. 4.43 Cdd Ecap MCAL AUTOSAR

This document details AUTOSAR Cdd Ecap module implementation

Supported AUTOSAR Release

4.3.1

Supported Configuration Variants

Pre-Compile

Vendor ID

CDD_ECAP_VENDOR_ID (44)

Module ID

CDD_ECAP_MODULE_ID (255)

4.12.3. Functional Overview

F29H85x microcontroller incorporates six independent eCAP modules. These modules are specifically designed to accurately measure the time of arrival of external signals, making them indispensable for applications that require precise timing information. The eCAP peripheral is highly suitable for a wide range of input capture functionalities, such as :

  • Speed measurements of rotating machinery (for example, toothed sprockets sensed by way of Hall sensors)

  • Elapsed time measurements between position sensor pulses

  • Period and duty cycle measurements of pulse train signals or pulse width modulation (PWM) signals

  • Decoding current or voltage amplitude derived from duty cycle encoded current/voltage sensors

4.12.3.1. Input capture modes: Single shot capture mode and Continuous capture mode

F29H85x eCAP peripheral offers a variety of input capture modes, allowing it to be adapted to different types of input signals and measurement requirements.

One fundamental mode is the single-shot capture mode. In this mode, the eCAP module can be configured to capture the time-stamps of up to four sequential external events. After the configured number of events (ranging from one to four, as determined by the stop value setting) has been captured, the capture process is automatically halted, and the time-base counter and the contents of the capture registers are frozen until the eCAP module is explicitly re-armed. This mode is particularly useful for capturing a specific sequence of events or for applications where the input signal is not continuous.

Another key operational mode is the continuous capture mode. In this mode, the eCAP module continuously captures the time-stamps of external events into its four 32-bit capture registers. These registers function as a circular buffer: once all four registers have been filled with timestamp values, the next captured event will overwrite the timestamp in the first register (CAP1), and the process continues. This mode is ideal for continuously monitoring a stream of events and for applications where the time difference between consecutive events (e.g., the period of a signal) needs to be measured.

4.12.3.2. Absolute time-stamp capture and difference (delta) mode

The eCAP peripheral also supports different methods for capturing the timestamps. In absolute time-stamp capture, the 32-bit time-base counter within the eCAP module runs continuously from zero up to its maximum value and then wraps around. When a configured trigger event (an edge on the input signal) occurs, the current value of this continuously running counter is captured and stored in one of the capture registers. This provides an absolute timestamp of when the event occurred relative to the start of the counter. Conversely, in difference (delta) mode time-stamp capture, the 32-bit time-base counter is automatically reset to zero immediately after each successful capture event. In this mode, the value captured into the register represents the time that has elapsed since the previous capture event. This is particularly useful for directly measuring the time interval between consecutive pulses or events without needing to perform a subtraction of absolute timestamps in software.

4.12.3.3. Capture registers and event prescaler

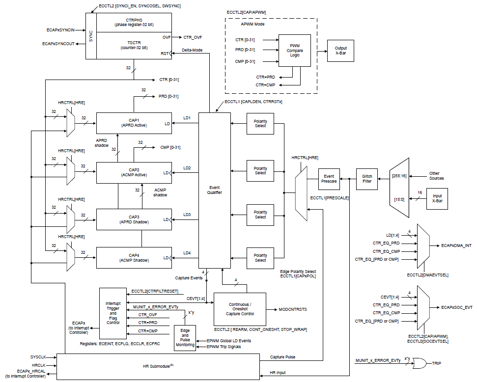
In addition to these capture modes, the eCAP peripheral offers a high degree of flexibility in configuring the trigger events. For each of the four capture registers, the user can independently select the edge polarity of the input signal that will trigger a capture. This means that for different capture events in a sequence, one can configure to trigger on a rising edge, another on a falling edge, or even both edges. This flexibility is essential for analyzing complex input signals and for measuring various signal characteristics like pulse width and period. Furthermore, the eCAP peripheral includes an input capture signal prescaling feature. This prescaler allows the frequency of the clock signal that drives the eCAP’s time-base counter to be divided by a programmable integer value ranging from 2 to 62. By adjusting the prescaler, the user can control the resolution of the time-base counter and the maximum time interval that can be measured before the counter overflows. A higher prescaler value results in a lower counter frequency, thus increasing the maximum measurable time but decreasing the resolution, and vice versa.

Cdd Ecap Hardware block diagram

Fig. 4.44 Cdd Ecap Hardware Block Diagram

Value of the event prescalar other than 1 will make the duty cycle of the signal as 50%. Signal measurement and time-stamp modes are not recommended to use in this case as duty and high time calculation may not give true picture of the actual signal. User can refer to the below diagram

Cdd Ecap Prescale output

Fig. 4.45 Cdd Ecap Prescaled waveform output Diagram.

4.12.3.4. High Resolution capture mode

HRCAP (High Resolution Capture) mode is a specialized capability of the ECAP (Enhanced Capture) module that provides higher precision timing measurements. All eCAP hardware is accessible to the HRCAP module. HRCAP module doesn’t work on the eCAP clock(SYSCLK), it works on an internal clock called HRCLK(high resolution clock). So, the capture registers will capture the values in HRCLK domain. For this APIs are provided to convert the captured time-stamps from HRCLK domain to SYSCLK domain. HRCAP works on a calibration logic which is always running in the background. The calibration logic essentially calculates the scalefactor for timestamp conversion from HRCLK to SYSCLK domain. While capturing pulses using HRCAP, the capture registers also store information about the integer as well as the fractional part of the captured pulse. So, the user must use float while dealing with HRCAP calculations and measurements otherwise they will lose the accuracy.

HRCAP has some variation in performance which results in a probability distribution. Pulse width of the measured signal can affect the accuracy and standard deviation of the measurement by HRCAP. For more information user can refer to the device datasheet provided in this link: datasheet

4.12.3.5. Measurement modes

Cdd Ecap Edge Counting Waveform

Fig. 4.46 Cdd Ecap Edge Counting Waveform

Cdd Ecap Timestamping Waveform

Fig. 4.47 Cdd Ecap Timestamping Waveform

Cdd Ecap Edge Detection Waveform

Fig. 4.48 Cdd Ecap Edge Detection Waveform

Cdd Ecap Signal Measurement Waveform

Fig. 4.49 Cdd Ecap Signal Measurement Waveform

ECAP configuration for various activation conditions

Measurement Mode

When Activation condition = Rising Edge

When Activation condition = Falling Edge

When Activation condition = Both Edge

Edge Counter Mode

CAP1 - rising, Wrap at 1

CAP1 - falling, Wrap at 1

CAP1 - falling, CAP2 - rising, Wrap at 2

Time Stamp Mode

CAP1 - rising, Wrap at 1

CAP1 - falling, Wrap at 1

CAP1 - falling, CAP2 - rising, Wrap at 2

Signal Edge Detect

CAP1 - rising, Wrap at 1

CAP1 - falling, Wrap at 1

CAP1 - falling, CAP2 - rising, Wrap at 2

Signal Measurement Mode

CAP1 - falling, CAP2 - rising, CAP3 - falling, CAP4 - rising. Same for all activation conditions

4.12.4. Hardware Features

4.12.4.1. Hardware Features supported

Features Supported at a high level are:

  • 4-event time-stamp registers (CAP1-CAP4 each 32 bits) - in Measurement mode - Timestamping

  • 256:1 input multiplexer

  • 32 bit time counter

  • Edge polarity selection for up to four sequenced time-stamp capture events

  • Interrupt on either of the four events

  • Continuous mode capture of time stamps in a four-deep circular buffer

  • Difference (Delta) mode time-stamp capture and Absolute time-stamp capture

  • HR mode is supported for high resolution capture of the signals

4.12.4.2. Not supported Features

  • Cdd Ecap driver doesn’t support APWM mode (single channel PWM generation from ECAP)

  • Cdd Ecap driver doesn’t support ECAP Synchronization (SYNCIN)

  • Cdd Ecap doesn’t support Signal monitoring units

  • Cdd Ecap doesn’t operate ECAP in Single-shot capture of up to four event time-stamps

4.12.4.3. Non compliance

None

4.12.5. Source files

📦f29h85x_mcal
┣ 📂build
┣ 📂docs
┣ 📂drivers
┃ ┣ 📂BSW_Stubs
┃ ┣ 📂Can
┃ ┣ 📂Cdd_Adc
┃ ┗ 📂Cdd_Ecap
┃ ┃ ┣ 📂include
┃ ┃ ┃ ┣ 📜Cdd_Ecap.h : Contains the API declarations of the Cdd Ecap driver to be used by upper layers.
┃ ┃ ┃ ┗ 📜Cdd_Ecap_Priv.h : Contains data structures and Internal function declarations.
┃ ┃ ┣ 📂src
┃ ┃ ┃ ┣ 📜Cdd_Ecap.c : Contains the implementation of the API for Cdd Ecap driver.
┃ ┃ ┃ ┣ 📜Cdd_Ecap_Irq.c : Contains the implementation for Cdd Ecap interrupts handlers.
┃ ┃ ┃ ┗ 📜Cdd_Ecap_Priv.c : Contains Functions that support the API for Cdd Ecap driver
┃ ┃ ┗ 📜CMakeLists.txt
┃ ┣ 📂Cdd_Ipc
┃ ┣ 📂Cdd_Pwm
┃ ┣ 📂Cdd_Sent
┃ ┣ 📂Cdd_Uart
┃ ┣ 📂Cdd_Xbar
┃ ┣ 📂Dio
┃ ┣ 📂Fls
┃ ┣ 📂Gpt
┃ ┣ 📂hw_include
┃ ┣ 📂Lin
┃ ┣ 📂Mcal_Lib
┃ ┣ 📂Mcu
┃ ┣ 📂Port
┃ ┣ 📂Spi
┃ ┗ 📂Wdg
┣ 📂examples
┣ 📂plugins
┣ 📜CMakeLists.txt
┗ 📜CMakePresets.json

Cdd Ecap Header File Structure

Fig. 4.50 Cdd Ecap Header File Structure

4.12.6. Module requirements

4.12.6.1. Memory Mapping

Will be added in later release

4.12.6.2. Scheduling

None

4.12.6.3. Error handling

4.12.6.3.1. Development Error Reporting

Development errors are reported to the DET using the service Det_ReportError(), when enabled. The driver interface contains the MACRO declaration of the error codes to be returned.

4.12.6.4. Error codes

Type of Error

Related Error code

Value (Hex)

API service called with invalid pointer

CDD_ECAP_E_PARAM_POINTER

0x0AU

API service called with invalid channel identifier or channel not configured

CDD_ECAP_E_PARAM_CHANNEL

0x0BU

API service called with an invalid or not feasible activation

CDD_ECAP_E_PARAM_ACTIVATION

0x0CU

Init Function Failed

CDD_ECAP_E_INIT_FAILED

0x0DU

API service used with invalid Buffer size

CDD_ECAP_E_PARAM_BUFFER_SIZE

0x0EU

API service called with invalid mode

CDD_ECAP_E_PARAM_MODE

0x0FU

API service called without module initialization

CDD_ECAP_E_UNINIT

0x14U

Cdd_Ecap_StopTimestamp called on channel not started or already stopped

CDD_ECAP_E_NOT_STARTED

0x15U

API service called while a running operation

CDD_ECAP_E_BUSY_OPERATION

0x16U

API service Cdd_Ecap_Init called when module already initialized

CDD_ECAP_E_ALREADY_INITIALIZED

0x17U

API service called when notify interval is invalid

CDD_ECAP_E_PARAM_NOTIFY_INTERVAL

0x18U

API service Cdd_Ecap_GetVersionInfo called and parameter is invalid

CDD_ECAP_E_PARAM_VINFO

0x19U

API service called with an invalid or not feasible start level

CDD_ECAP_E_PARAM_START_LEVEL

0x1AU

API service called with an invalid channel in the HR mode

CDD_ECAP_E_HR_CHANNEL

0x1BU

4.12.7. Used resources

4.12.7.1. Interrupt Handling

The Driver doesn’t register any interrupts handler (ISR), it’s expected that consumer of this driver registers the required interrupt handler.

For every Cdd ECAP channel, an ISR requires to be registered. The Interrupt number associated with instance of the ECAP is detailed in TRM (also, please refer the Example application). Interrupt category should be selected in the Cdd_Ecap plugin.

Cdd_Ecap driver provides ISRs. The ISRs are implemented in the Cdd_Ecap_Irq.c file.

Cdd Ecap ChannelInstance

Interrupt handler

INT Signal Name

CDD ECAP Channel 0

Cdd_Ecap_ch0Notify

Depends on the ECAP HW instance used for the Cdd ECAP channel. ECAP1_INT/ECAP2_INT/ECAP3_INT/ECAP4_INT/ECAP5_INT/ECAP6_INT

CDD ECAP Channel 1

Cdd_Ecap_ch1Notify

Depends on the ECAP HW instance used for the Cdd ECAP channel. ECAP1_INT/ECAP2_INT/ECAP3_INT/ECAP4_INT/ECAP5_INT/ECAP6_INT

CDD ECAP Channel 2

Cdd_Ecap_ch2Notify

Depends on the ECAP HW instance used for the Cdd ECAP channel. ECAP1_INT/ECAP2_INT/ECAP3_INT/ECAP4_INT/ECAP5_INT/ECAP6_INT

CDD ECAP Channel 3

Cdd_Ecap_ch3Notify

Depends on the ECAP HW instance used for the Cdd ECAP channel. ECAP1_INT/ECAP2_INT/ECAP3_INT/ECAP4_INT/ECAP5_INT/ECAP6_INT

CDD ECAP Channel 4

Cdd_Ecap_ch4Notify

Depends on the ECAP HW instance used for the Cdd ECAP channel. ECAP1_INT/ECAP2_INT/ECAP3_INT/ECAP4_INT/ECAP5_INT/ECAP6_INT

CDD ECAP Channel 5

Cdd_Ecap_ch5Notify

Depends on the ECAP HW instance used for the Cdd ECAP channel. ECAP1_INT/ECAP2_INT/ECAP3_INT/ECAP4_INT/ECAP5_INT/ECAP6_INT

CDD ECAP Channel 4

Cdd_Ecap_HR_ch4Notify

Depends on the HRCAP HW instance used for the Cdd ECAP channel. HRCAP5_INT/HRCAP6_INT

CDD ECAP Channel 5

Cdd_Ecap_HR_ch5Notify

Depends on the HRCAP HW instance used for the Cdd ECAP channel. HRCAP5_INT/HRCAP6_INT

Note

Same Interrupt Category needs to be configured in both Cdd_Ecap and OS Modules.

4.12.7.2. Instance support

CPU instances

supported

CPU 1

YES

CPU 2

NO

CPU 3

NO

4.12.7.3. Hardware-Software Mapping

Below image shows Cdd Ecap driver Hardware-Software mapping. For more information related to HW/SW mapping, refer the F29x Reference Manual.

Cdd Ecap HW/SW Mapping

Fig. 4.51 Cdd Ecap HW/SW Mapping

4.12.8. Integration description

4.12.8.1. Dependent modules

4.12.8.1.1. DET

This implementation depends on the DET in order to report development errors. The detection of development errors is configurable (ON / OFF), The switch CDD_ECAP_DEV_ERROR_DETECT will activate or deactivate the detection of all development errors.

4.12.8.1.2. MCU

MCU Module is required to initialize all the clock to be used by different peripherals

4.12.8.1.3. OS

The Cdd_Ecap driver uses interrupts and therefore there is a dependency on the OS, which configures the interrupt sources.

4.12.8.1.4. SchM

If multiple AUTOSAR runnables have access to the same Data Store Memory block, the exported AUTOSAR specification enforces data consistency by using an AUTOSAR exclusive area. With this specification, the runnables have mutually exclusive access to the per-instance memory global data, which prevents data corruption. Beside the OS, the BSW Scheduler provides functions that Cdd_Ecap module calls at begin and end of critical sections. This implementation requires 1 level of exclusive access to guard critical sections.

The data consistency mechanism that has to be applied to an ExclusiveArea might be domain, ECU or even project specific. The decision which mechanism has to be applied by RTE / Basic Software Scheduler is taken during ECU integration by setting the Exclusive Area configuration parameter RteExclusiveAreaImplMechanism. This parameter is an input for RTE generator. For Cdd_Ecap Module, data consistency and exclusive access to critical sections are required for the following sections as shown in the table below:

Exclusive Area Functions used

Cdd_Ecap Function calling Exclusive Area

Need for Exclusive Area

Recommended Exclusive Area Mapping

CDD_ECAP_EXCLUSIVE_AREA_0

Cdd_Ecap_DisableNotificationEcap
Cdd_Ecap_EnableNotificationEcap
Cdd_Ecap_SetActivationConditionEcap
Cdd_Ecap_GetInputStateEcap
Cdd_Ecap_EnableEdgeDetectionEcap
Cdd_Ecap_DisableEdgeDetectionEcap
Cdd_Ecap_StartTimestampEcap
Cdd_Ecap_StopTimestampEcap
Cdd_Ecap_GetTimestampIndexEcap
Cdd_Ecap_ResetEdgeCountEcap
Cdd_Ecap_EnableEdgeCountEcap
Cdd_Ecap_DisableEdgeCountEcap
Cdd_Ecap_GetEdgeNumbersEcap
Cdd_Ecap_StartSignalMeasurementEcap
Cdd_Ecap_StopSignalMeasurementEcap
Cdd_Ecap_GetTimeElapsedEcap
Cdd_Ecap_GetDutyCycleValues

To protect against multiple access for shared resources

ALL_INTERRUPT_BLOCKING : All interrupts should be blocked as this API’s can be called in the interrupts

4.12.8.2. Resource Allocator

The ECAP module references the Resource Allocator for device, package, and variant configuration. See the Resource Allocator Module User Guide for details on configuring device-specific settings.

4.12.8.2.1. Resource Allocator Usage Example

To allocate ECAP1 to CPU1 using FRAME0:

  1. In the Resource Allocator configuration, create a new Ecap instance allocation

  2. Set InstanceName to ECAP1

  3. Set Frame to FRAME0

  4. The BaseAddr will be automatically calculated as ECAP1_DRIVER_BASE_FRAME(0U)

Resource Allocator Configuration:
├── EcapInstanceAllocation
│   ├── InstanceName: ECAP1
│   ├── Frame: FRAME0
│   └── BaseAddr: ECAP1_DRIVER_BASE_FRAME(0U)

4.12.9. Configuration

The Cdd Ecap Driver implementation supports single configuration variants, namely Pre-Compile config. The driver expects generated Cdd_Ecap_Cfg.h to be present as input file. The associated Cdd Ecap driver configuration generated source file is Cdd_Ecap_Cfg.c.

The generated configuration files should not be modified manually. The config tool Elektrobit Tresos should be used to modify the configuration files.

Note

Refer section Getting Started with EB Tresos of Chapter MCAL Configuration and EB Tresos for more information on how to load plugin and generate the configuration files.

4.12.9.1. Migration Guide

4.12.9.1.1. v03.00.00 from v02.00.00

4.12.9.1.1.1. Key Changes
  1. Resource Allocator Based Approach

    • The CDD ECAP module now integrates with the Resource Allocator module for centralized device, package, and variant configuration

    • ECAP channel configurations (CddEcapChannelRef) now reference Resource Allocator’s allocated ECAP instances

    • Available ECAP instances are determined by the Resource Allocator’s Cdd_EcapAllocatedInstance configuration for the current context

    • The maximum number of ECAP channels is now dynamically determined from Resource Allocator

4.12.9.1.1.2. Migration Steps
  1. Add Resource Allocator Module

    • Add the Resource Allocator module to your EB Tresos project if not already present

  2. Configure ECAP Instances in Resource Allocator

    • In Resource Allocator, configure the Cdd_EcapAllocatedInstance entries for each ECAP instance your application requires

    • Set the appropriate InstanceName (e.g., ECAP1, ECAP2, etc.)

  3. Update CDD ECAP Configuration

    • Update CddEcapChannelRef in each CddEcapChannel to reference the corresponding Resource Allocator’s Cdd_EcapAllocatedInstance

    • The CddEcapChannelId will be automatically derived from the Resource Allocator’s instance name

  4. Verify Instance References

    • Ensure all ECAP channel references point to valid Resource Allocator allocated instances

    • Verify that the allocated instances match your hardware requirements

  5. Regenerate Configuration

    • Regenerate the configuration files using EB Tresos

  6. Rebuild Application

    • Rebuild your application with the updated configuration

4.12.9.2. Configuration Parameters

4.12.9.3. CddEcapConfigSet

This container contains the configuration parameters and sub containers of the AUTOSAR CddEcap module.

4.12.9.3.1. CddEcapChannel

Configuration of an individual CDD ECAP channel.

4.12.9.3.1.1. CddEcapChannelId

Item

Name

CddEcapChannelId

Description

Channel Id of the CDD ECAP channel. This value will be assigned to the symbolic name derived of the CddEcapChannel container short name.

Origin

Texas Instruments

Post-Build-Variant-Value

false

Value-Configuration-Class

Pre-Compile-Time

VARIANT-PRE-COMPILE

Default-value

255

4.12.9.3.1.2. CddEcapEmulationMode

Item

Name

CddEcapEmulationMode

Description

Configures the emulation mode of the Cdd Ecap.

Origin

Texas Instruments

Post-Build-Variant-Value

false

Value-Configuration-Class

Pre-Compile-Time

VARIANT-PRE-COMPILE

Default-value

CDD_ECAP_EMULATION_FREE_RUN

Range

CDD_ECAP_EMULATION_STOP
CDD_ECAP_EMULATION_RUN_TO_ZERO
CDD_ECAP_EMULATION_FREE_RUN

4.12.9.3.1.3. CddEcapDefaultStartEdge

Item

Name

CddEcapDefaultStartEdge

Description

Configures the default-activation-edge which shall be used for this channel if there was no activation-edge configured by the call of service CddEcap_SetActivationCondition().

Origin

Texas Instruments

Post-Build-Variant-Value

false

Value-Configuration-Class

Pre-Compile-Time

VARIANT-PRE-COMPILE

Default-value

CDD_ECAP_RISING_EDGE

Range

CDD_ECAP_BOTH_EDGES
CDD_ECAP_FALLING_EDGE
CDD_ECAP_RISING_EDGE

4.12.9.3.1.4. CddEcapInputSelect

Item

Name

CddEcapInputSelect

Description

Configures the source to be used in order to give CDD ECAP the required input

Origin

Texas Instruments

Post-Build-Variant-Value

false

Value-Configuration-Class

Pre-Compile-Time

VARIANT-PRE-COMPILE

Default-value

CDD_ECAP_INPUT_INPUTXBAR1

Range

CDD_ECAP_INPUT_INPUTXBAR1
CDD_ECAP_INPUT_INPUTXBAR2
CDD_ECAP_INPUT_INPUTXBAR3
CDD_ECAP_INPUT_INPUTXBAR4
CDD_ECAP_INPUT_INPUTXBAR5
CDD_ECAP_INPUT_INPUTXBAR6
CDD_ECAP_INPUT_INPUTXBAR7
CDD_ECAP_INPUT_INPUTXBAR8
CDD_ECAP_INPUT_INPUTXBAR9
CDD_ECAP_INPUT_INPUTXBAR10
CDD_ECAP_INPUT_INPUTXBAR11
CDD_ECAP_INPUT_INPUTXBAR12
CDD_ECAP_INPUT_INPUTXBAR13
CDD_ECAP_INPUT_INPUTXBAR14
CDD_ECAP_INPUT_INPUTXBAR15
CDD_ECAP_INPUT_INPUTXBAR16
CDD_ECAP_INPUT_ECAP1_CLB1_OUT14
CDD_ECAP_INPUT_ECAP2_CLB1_OUT14
CDD_ECAP_INPUT_ECAP1_CLB1_OUT15
CDD_ECAP_INPUT_ECAP2_CLB1_OUT15
CDD_ECAP_INPUT_ECAP3_CLB2_OUT14
CDD_ECAP_INPUT_ECAP4_CLB2_OUT14
CDD_ECAP_INPUT_ECAP5_CLB2_OUT14
CDD_ECAP_INPUT_ECAP3_CLB2_OUT15
CDD_ECAP_INPUT_ECAP4_CLB2_OUT15
CDD_ECAP_INPUT_ECAP5_CLB2_OUT15
CDD_ECAP_INPUT_ECAP6_CLB3_OUT14
CDD_ECAP_INPUT_ECAP6_CLB3_OUT15
CDD_ECAP_INPUT_ECAP6_CLB4_OUT14
CDD_ECAP_INPUT_ECAP6_CLB4_OUT15
CDD_ECAP_INPUT_ECAP1_CLB5_OUT14
CDD_ECAP_INPUT_ECAP2_CLB5_OUT14
CDD_ECAP_INPUT_ECAP1_CLB5_OUT15
CDD_ECAP_INPUT_ECAP2_CLB5_OUT15
CDD_ECAP_INPUT_ECAP3_CLB6_OUT14
CDD_ECAP_INPUT_ECAP4_CLB6_OUT14
CDD_ECAP_INPUT_ECAP5_CLB6_OUT14
CDD_ECAP_INPUT_ECAP3_CLB6_OUT15
CDD_ECAP_INPUT_ECAP4_CLB6_OUT15
CDD_ECAP_INPUT_ECAP5_CLB6_OUT15
CDD_ECAP_INPUT_OUTPUTXBAR1
CDD_ECAP_INPUT_OUTPUTXBAR2
CDD_ECAP_INPUT_OUTPUTXBAR3
CDD_ECAP_INPUT_OUTPUTXBAR4
CDD_ECAP_INPUT_OUTPUTXBAR5
CDD_ECAP_INPUT_OUTPUTXBAR6
CDD_ECAP_INPUT_OUTPUTXBAR7
CDD_ECAP_INPUT_OUTPUTXBAR8
CDD_ECAP_INPUT_ADC_E_EVENT4
CDD_ECAP_INPUT_ADC_E_EVENT3
CDD_ECAP_INPUT_ADC_E_EVENT2
CDD_ECAP_INPUT_ADC_E_EVENT1
CDD_ECAP_INPUT_ADC_D_EVENT4
CDD_ECAP_INPUT_ADC_D_EVENT3
CDD_ECAP_INPUT_ADC_D_EVENT2
CDD_ECAP_INPUT_ADC_D_EVENT1
CDD_ECAP_INPUT_ADC_C_EVENT4
CDD_ECAP_INPUT_ADC_C_EVENT3
CDD_ECAP_INPUT_ADC_C_EVENT2
CDD_ECAP_INPUT_ADC_C_EVENT1
CDD_ECAP_INPUT_ADC_B_EVENT4
CDD_ECAP_INPUT_ADC_B_EVENT3
CDD_ECAP_INPUT_ADC_B_EVENT2
CDD_ECAP_INPUT_ADC_B_EVENT1
CDD_ECAP_INPUT_ADC_A_EVENT4
CDD_ECAP_INPUT_ADC_A_EVENT3
CDD_ECAP_INPUT_ADC_A_EVENT2
CDD_ECAP_INPUT_ADC_A_EVENT1
CDD_ECAP_INPUT_FSIA_RX_MSR_LINE
CDD_ECAP_INPUT_FSIA_RX_MSR_LINE_RISE
CDD_ECAP_INPUT_FSIA_RX_MSR_LINE_FALL
CDD_ECAP_INPUT_FSIB_RX_MSR_LINE
CDD_ECAP_INPUT_FSIB_RX_MSR_LINE_RISE
CDD_ECAP_INPUT_FSIB_RX_MSR_LINE_FALL
CDD_ECAP_INPUT_FSIC_RX_MSR_LINE
CDD_ECAP_INPUT_FSIC_RX_MSR_LINE_RISE
CDD_ECAP_INPUT_FSIC_RX_MSR_LINE_FALL
CDD_ECAP_INPUT_FSID_RX_MSR_LINE
CDD_ECAP_INPUT_FSID_RX_MSR_LINE_RISE
CDD_ECAP_INPUT_FSID_RX_MSR_LINE_FALL
CDD_ECAP_INPUT_SDFM2_FLT1_COMPARE_LOW
CDD_ECAP_INPUT_SDFM2_FLT2_COMPARE_LOW
CDD_ECAP_INPUT_SDFM2_FLT3_COMPARE_LOW
CDD_ECAP_INPUT_SDFM2_FLT4_COMPARE_LOW
CDD_ECAP_INPUT_SDFM1_FLT1_COMPARE_LOW
CDD_ECAP_INPUT_SDFM1_FLT2_COMPARE_LOW
CDD_ECAP_INPUT_SDFM1_FLT3_COMPARE_LOW
CDD_ECAP_INPUT_SDFM1_FLT4_COMPARE_LOW
CDD_ECAP_INPUT_SDFM2_FLT1_COMPARE_Z
CDD_ECAP_INPUT_SDFM2_FLT2_COMPARE_Z
CDD_ECAP_INPUT_SDFM2_FLT3_COMPARE_Z
CDD_ECAP_INPUT_SDFM2_FLT4_COMPARE_Z
CDD_ECAP_INPUT_SDFM1_FLT1_COMPARE_Z
CDD_ECAP_INPUT_SDFM1_FLT2_COMPARE_Z
CDD_ECAP_INPUT_SDFM1_FLT3_COMPARE_Z
CDD_ECAP_INPUT_SDFM1_FLT4_COMPARE_Z
CDD_ECAP_INPUT_SDFM2_FLT1_COMPARE_HIGH
CDD_ECAP_INPUT_SDFM2_FLT2_COMPARE_HIGH
CDD_ECAP_INPUT_SDFM2_FLT3_COMPARE_HIGH
CDD_ECAP_INPUT_SDFM2_FLT4_COMPARE_HIGH
CDD_ECAP_INPUT_SDFM1_FLT1_COMPARE_HIGH
CDD_ECAP_INPUT_SDFM1_FLT2_COMPARE_HIGH
CDD_ECAP_INPUT_SDFM1_FLT3_COMPARE_HIGH
CDD_ECAP_INPUT_SDFM1_FLT4_COMPARE_HIGH
CDD_ECAP_INPUT_SDFM2_FLT1_COMPARE_HIGH_OR_LOW
CDD_ECAP_INPUT_SDFM2_FLT2_COMPARE_HIGH_OR_LOW
CDD_ECAP_INPUT_SDFM2_FLT3_COMPARE_HIGH_OR_LOW
CDD_ECAP_INPUT_SDFM2_FLT4_COMPARE_HIGH_OR_LOW
CDD_ECAP_INPUT_SDFM1_FLT1_COMPARE_HIGH_OR_LOW
CDD_ECAP_INPUT_SDFM1_FLT2_COMPARE_HIGH_OR_LOW
CDD_ECAP_INPUT_SDFM1_FLT3_COMPARE_HIGH_OR_LOW
CDD_ECAP_INPUT_SDFM1_FLT4_COMPARE_HIGH_OR_LOW
CDD_ECAP_INPUT_ECAP5_ECAP6_DELAY_CLK
CDD_ECAP_INPUT_ECAP6_ECAP5_DELAY_CLK
CDD_ECAP_INPUT_ECATSYNC0
CDD_ECAP_INPUT_ECATSYNC1
CDD_ECAP_INPUT_CMPSS1_CTRIP_LOW
CDD_ECAP_INPUT_CMPSS2_CTRIP_LOW
CDD_ECAP_INPUT_CMPSS3_CTRIP_LOW
CDD_ECAP_INPUT_CMPSS4_CTRIP_LOW
CDD_ECAP_INPUT_CMPSS5_CTRIP_LOW
CDD_ECAP_INPUT_CMPSS6_CTRIP_LOW
CDD_ECAP_INPUT_CMPSS7_CTRIP_LOW
CDD_ECAP_INPUT_CMPSS8_CTRIP_LOW
CDD_ECAP_INPUT_CMPSS1_CTRIP_HIGH
CDD_ECAP_INPUT_CMPSS2_CTRIP_HIGH
CDD_ECAP_INPUT_CMPSS3_CTRIP_HIGH
CDD_ECAP_INPUT_CMPSS4_CTRIP_HIGH
CDD_ECAP_INPUT_CMPSS5_CTRIP_HIGH
CDD_ECAP_INPUT_CMPSS6_CTRIP_HIGH
CDD_ECAP_INPUT_CMPSS7_CTRIP_HIGH
CDD_ECAP_INPUT_CMPSS8_CTRIP_HIGH
CDD_ECAP_INPUT_GPIO8
CDD_ECAP_INPUT_GPIO9
CDD_ECAP_INPUT_GPIO22
CDD_ECAP_INPUT_GPIO23
CDD_ECAP_INPUT_CMPSS1_CTRIP_HIGH_OR_LOW
CDD_ECAP_INPUT_CMPSS2_CTRIP_HIGH_OR_LOW
CDD_ECAP_INPUT_CMPSS3_CTRIP_HIGH_OR_LOW
CDD_ECAP_INPUT_CMPSS4_CTRIP_HIGH_OR_LOW
CDD_ECAP_INPUT_CMPSS5_CTRIP_HIGH_OR_LOW
CDD_ECAP_INPUT_CMPSS6_CTRIP_HIGH_OR_LOW
CDD_ECAP_INPUT_CMPSS7_CTRIP_HIGH_OR_LOW
CDD_ECAP_INPUT_CMPSS8_CTRIP_HIGH_OR_LOW
CDD_ECAP_INPUT_ECAP1_INPUTXBAR7
CDD_ECAP_INPUT_ECAP2_INPUTXBAR8
CDD_ECAP_INPUT_ECAP3_INPUTXBAR9
CDD_ECAP_INPUT_ECAP4_INPUTXBAR10
CDD_ECAP_INPUT_ECAP5_INPUTXBAR11
CDD_ECAP_INPUT_ECAP6_INPUTXBAR12
CDD_ECAP_INPUT_SDFM4_FLT1_COMPARE_LOW
CDD_ECAP_INPUT_SDFM4_FLT2_COMPARE_LOW
CDD_ECAP_INPUT_SDFM4_FLT3_COMPARE_LOW
CDD_ECAP_INPUT_SDFM4_FLT4_COMPARE_LOW
CDD_ECAP_INPUT_SDFM3_FLT1_COMPARE_LOW
CDD_ECAP_INPUT_SDFM3_FLT2_COMPARE_LOW
CDD_ECAP_INPUT_SDFM3_FLT3_COMPARE_LOW
CDD_ECAP_INPUT_SDFM3_FLT4_COMPARE_LOW
CDD_ECAP_INPUT_SDFM4_FLT4_COMPARE_Z
CDD_ECAP_INPUT_SDFM3_FLT4_COMPARE_Z
CDD_ECAP_INPUT_SDFM4_FLT1_COMPARE_HIGH
CDD_ECAP_INPUT_SDFM4_FLT2_COMPARE_HIGH
CDD_ECAP_INPUT_SDFM4_FLT3_COMPARE_HIGH
CDD_ECAP_INPUT_SDFM4_FLT4_COMPARE_HIGH
CDD_ECAP_INPUT_SDFM3_FLT1_COMPARE_HIGH
CDD_ECAP_INPUT_SDFM3_FLT2_COMPARE_HIGH
CDD_ECAP_INPUT_SDFM3_FLT3_COMPARE_HIGH
CDD_ECAP_INPUT_SDFM3_FLT4_COMPARE_HIGH
CDD_ECAP_INPUT_SDFM4_FLT1_COMPARE_HIGH_OR_LOW
CDD_ECAP_INPUT_SDFM4_FLT2_COMPARE_HIGH_OR_LOW
CDD_ECAP_INPUT_SDFM4_FLT3_COMPARE_HIGH_OR_LOW
CDD_ECAP_INPUT_SDFM4_FLT4_COMPARE_HIGH_OR_LOW
CDD_ECAP_INPUT_SDFM3_FLT1_COMPARE_HIGH_OR_LOW
CDD_ECAP_INPUT_SDFM3_FLT2_COMPARE_HIGH_OR_LOW
CDD_ECAP_INPUT_SDFM3_FLT3_COMPARE_HIGH_OR_LOW
CDD_ECAP_INPUT_SDFM3_FLT4_COMPARE_HIGH_OR_LOW
CDD_ECAP_INPUT_EPWM18_DEL_ACTIVE
CDD_ECAP_INPUT_EPWM17_DEL_ACTIVE
CDD_ECAP_INPUT_EPWM16_DEL_ACTIVE
CDD_ECAP_INPUT_EPWM15_DEL_ACTIVE
CDD_ECAP_INPUT_EPWM14_DEL_ACTIVE
CDD_ECAP_INPUT_EPWM13_DEL_ACTIVE
CDD_ECAP_INPUT_EPWM12_DEL_ACTIVE
CDD_ECAP_INPUT_EPWM11_DEL_ACTIVE
CDD_ECAP_INPUT_EPWM10_DEL_ACTIVE
CDD_ECAP_INPUT_EPWM9_DEL_ACTIVE
CDD_ECAP_INPUT_EPWM8_DEL_ACTIVE
CDD_ECAP_INPUT_EPWM7_DEL_ACTIVE
CDD_ECAP_INPUT_EPWM6_DEL_ACTIVE
CDD_ECAP_INPUT_EPWM5_DEL_ACTIVE
CDD_ECAP_INPUT_EPWM4_DEL_ACTIVE
CDD_ECAP_INPUT_EPWM3_DEL_ACTIVE
CDD_ECAP_INPUT_EPWM2_DEL_ACTIVE
CDD_ECAP_INPUT_EPWM1_DEL_ACTIVE
CDD_ECAP_INPUT_GPIO11
CDD_ECAP_INPUT_GPIO12
CDD_ECAP_INPUT_GPIO13
CDD_ECAP_INPUT_GPIO14
CDD_ECAP_INPUT_ECAP1_EPG1_DATAOUT49
CDD_ECAP_INPUT_ECAP2_EPG1_DATAOUT50
CDD_ECAP_INPUT_ECAP3_EPG1_DATAOUT51
CDD_ECAP_INPUT_ECAP4_EPG1_DATAOUT52
CDD_ECAP_INPUT_ECAP5_EPG1_DATAOUT53
CDD_ECAP_INPUT_ECAP6_EPG1_DATAOUT54

4.12.9.3.1.5. CddEcapIrqType

Item

Name

CddEcapIrqType

Description

Type of Isr function:
void functionname(void)
CAT1 see description in oil tool : interrupt void func(void)
CAT2 see description in oil tool : ISR(func)

Origin

Texas Instruments

Post-Build-Variant-Value

false

Value-Configuration-Class

Pre-Compile-Time

VARIANT-PRE-COMPILE

Default-value

ISR_CAT1_INT

Range

ISR_CAT1_INT
ISR_CAT1_RINT
ISR_CAT2_INT

4.12.9.3.1.6. CddEcapMeasurementMode

Item

Name

CddEcapMeasurementMode

Description

Configures the measurement mode of this channel.

Origin

Texas Instruments

Post-Build-Variant-Value

false

Value-Configuration-Class

Pre-Compile-Time

VARIANT-PRE-COMPILE

Default-value

CDD_ECAP_MODE_EDGE_COUNTER

Range

CDD_ECAP_MODE_EDGE_COUNTER
CDD_ECAP_MODE_SIGNAL_EDGE_DETECT
CDD_ECAP_MODE_SIGNAL_MEASUREMENT
CDD_ECAP_MODE_TIMESTAMP

4.12.9.3.1.7. CddEcapPrescaler

Item

Name

CddEcapPrescaler

Description

Configures the prescale value, keep it as 0 if you want to bypass it

Origin

Texas Instruments

Post-Build-Variant-Value

false

Value-Configuration-Class

Pre-Compile-Time

VARIANT-PRE-COMPILE

Default-value

CDD_ECAP_PRESCALAR_1

Range

CDD_ECAP_PRESCALAR_1
CDD_ECAP_PRESCALAR_2
CDD_ECAP_PRESCALAR_4
CDD_ECAP_PRESCALAR_6
CDD_ECAP_PRESCALAR_8
CDD_ECAP_PRESCALAR_10
CDD_ECAP_PRESCALAR_12
CDD_ECAP_PRESCALAR_14
CDD_ECAP_PRESCALAR_16
CDD_ECAP_PRESCALAR_18
CDD_ECAP_PRESCALAR_20
CDD_ECAP_PRESCALAR_22
CDD_ECAP_PRESCALAR_24
CDD_ECAP_PRESCALAR_26
CDD_ECAP_PRESCALAR_28
CDD_ECAP_PRESCALAR_30
CDD_ECAP_PRESCALAR_32
CDD_ECAP_PRESCALAR_34
CDD_ECAP_PRESCALAR_36
CDD_ECAP_PRESCALAR_38
CDD_ECAP_PRESCALAR_40
CDD_ECAP_PRESCALAR_42
CDD_ECAP_PRESCALAR_44
CDD_ECAP_PRESCALAR_46
CDD_ECAP_PRESCALAR_48
CDD_ECAP_PRESCALAR_50
CDD_ECAP_PRESCALAR_52
CDD_ECAP_PRESCALAR_54
CDD_ECAP_PRESCALAR_56
CDD_ECAP_PRESCALAR_58
CDD_ECAP_PRESCALAR_60
CDD_ECAP_PRESCALAR_62

4.12.9.3.1.8. CddEcapClkFrequency

Item

Name

CddEcapClkFrequency

Description

Reference to a container of the type McuClockReferencePoint, to select an input clock.

Origin

Texas Instruments

Post-Build-Variant-Value

false

Value-Configuration-Class

Pre-Compile-Time

VARIANT-PRE-COMPILE

Default-value

200000000

Max-value

200000000

Min-value

2000000

4.12.9.3.1.9. CddEcapHREnable

Item

Name

CddEcapHREnable

Description

This parameter enables HR mode for a particular Cdd Ecap channel.

Origin

Texas Instruments

Post-Build-Variant-Value

false

Value-Configuration-Class

Pre-Compile-Time

VARIANT-PRE-COMPILE

Default-value

false

4.12.9.3.1.10. CddEcapChannelRef

Item

Name

CddEcapChannelRef

Description

Reference to the ECAP Channel.

Origin

Texas Instruments

Post-Build-Variant-Value

false

Value-Configuration-Class

Pre-Compile-Time

VARIANT-PRE-COMPILE

4.12.9.3.1.11. CddEcapFunctionalClock

Item

Name

CddEcapFunctionalClock

Description

Reference to a container of the type McuClockReferencePoint, to select an input clock.

Origin

Texas Instruments

Post-Build-Variant-Value

false

Value-Configuration-Class

Pre-Compile-Time

VARIANT-PRE-COMPILE

4.12.9.3.2. CddEcapSignalMeasurement

This container contains the configuration (parameters) in case the measurement mode is “CddEcapSignalMeasurement”

4.12.9.3.2.1. CddEcapSignalMeasurementProperty

Item

Name

CddEcapSignalMeasurementProperty

Description

Configures the property that could be measured in case the mode is “CddEcapSignalMeasurement”.

Origin

Texas Instruments

Post-Build-Variant-Value

false

Value-Configuration-Class

Pre-Compile-Time

VARIANT-PRE-COMPILE

Default-value

CDD_ECAP_HIGH_TIME

Range

CDD_ECAP_HIGH_TIME
CDD_ECAP_LOW_TIME
CDD_ECAP_PERIOD_TIME

4.12.9.3.3. CddEcapTimestampMeasurement

This container contains the configuration (parameters) in case the measurement mode is “CddEcapTimestamp”

4.12.9.3.3.1. CddEcapTimestampMeasurementProperty

Item

Name

CddEcapTimestampMeasurementProperty

Description

Configures the handling of the buffer in case the mode is “Timestamp”

Origin

Texas Instruments

Post-Build-Variant-Value

false

Value-Configuration-Class

Pre-Compile-Time

VARIANT-PRE-COMPILE

Default-value

CDD_ECAP_CIRCULAR_BUFFER

Range

CDD_ECAP_CIRCULAR_BUFFER
CDD_ECAP_LINEAR_BUFFER

4.12.9.3.3.2. CddEcapTimestampNotification

Item

Name

CddEcapTimestampNotification

Description

Notification function if the number of requested timestamps

Multiplicity-Configuration-Class

Pre-Compile Time

VARIANT-PRE-COMPILE

Origin

Texas Instruments

Post-build-variant-multiplicity

false

Post-Build-Variant-Value

false

Value-Configuration-Class

Pre-Compile-Time

VARIANT-PRE-COMPILE

Default-value

NULL_PTR

4.12.9.3.4. CddEcapSignalEdgeDetection

This container contains the configuration (parameters) in case the measurement mode is “CddEcapSignalEdgeDetection”

4.12.9.3.4.1. CddEcapSignalNotification

Item

Name

CddEcapSignalNotification

Description

Notification function for signal notification.

Multiplicity-Configuration-Class

Pre-Compile Time

VARIANT-PRE-COMPILE

Origin

Texas Instruments

Post-build-variant-multiplicity

false

Post-Build-Variant-Value

false

Value-Configuration-Class

Pre-Compile-Time

VARIANT-PRE-COMPILE

Default-value

NULL_PTR

4.12.9.4. CddEcapGeneral

Configuration of general CDD ECAP parameters.

4.12.9.4.1. CddEcapDevErrorDetect

Item

Name

CddEcapDevErrorDetect

Description

Switches the development error detection and notification on or off.

Origin

Texas Instruments

Post-Build-Variant-Value

false

Value-Configuration-Class

Pre-Compile-Time

VARIANT-PRE-COMPILE

Default-value

false

4.12.9.4.2. CddEcapDeInitApi

Item

Name

CddEcapDeInitApi

Description

Adds / removes the service CddEcap_DeInit() from the code.

Origin

Texas Instruments

Post-Build-Variant-Value

false

Value-Configuration-Class

Pre-Compile-Time

VARIANT-PRE-COMPILE

Default-value

true

4.12.9.4.3. CddEcapEdgeCountApi

Item

Name

CddEcapEdgeCountApi

Description

Adds / removes all services related to the edge counting functionality as listed below, from the code: CddEcap_ResetEdgeCount(), CddEcap_EnableEdgeCount(), CddEcap_DisableEdgeCount(), CddEcap_GetEdgeNumbers().

Origin

Texas Instruments

Post-Build-Variant-Value

false

Value-Configuration-Class

Pre-Compile-Time

VARIANT-PRE-COMPILE

Default-value

false

4.12.9.4.4. CddEcapEdgeDetectApi

Item

Name

CddEcapEdgeDetectApi

Description

Adds / removes the services related to the edge detection functionality, from the code:

Origin

Texas Instruments

Post-Build-Variant-Value

false

Value-Configuration-Class

Pre-Compile-Time

VARIANT-PRE-COMPILE

Default-value

false

4.12.9.4.5. CddEcapGetDutyCycleValuesApi

Item

Name

CddEcapGetDutyCycleValuesApi

Description

Adds / removes the service CddEcap_GetDutyCycleValues() from the code.

Origin

Texas Instruments

Post-Build-Variant-Value

false

Value-Configuration-Class

Pre-Compile-Time

VARIANT-PRE-COMPILE

Default-value

false

4.12.9.4.6. CddEcapGetInputStateApi

Item

Name

CddEcapGetInputStateApi

Description

Adds / removes the service CddEcap_GetInputState() from the code.

Origin

Texas Instruments

Post-Build-Variant-Value

false

Value-Configuration-Class

Pre-Compile-Time

VARIANT-PRE-COMPILE

Default-value

false

4.12.9.4.7. CddEcapGetTimeElapsedApi

Item

Name

CddEcapGetTimeElapsedApi

Description

Adds / removes the service CddEcap_GetTimeElapsed() from the code.

Origin

Texas Instruments

Post-Build-Variant-Value

false

Value-Configuration-Class

Pre-Compile-Time

VARIANT-PRE-COMPILE

Default-value

false

4.12.9.4.8. CddEcapGetVersionInfoApi

Item

Name

CddEcapGetVersionInfoApi

Description

Adds / removes the service CddEcap_GetVersionInfo() from the code.

Origin

Texas Instruments

Post-Build-Variant-Value

false

Value-Configuration-Class

Pre-Compile-Time

VARIANT-PRE-COMPILE

Default-value

false

4.12.9.4.9. CddEcapSignalMeasurementApi

Item

Name

CddEcapSignalMeasurementApi

Description

Adds / removes the services CddEcap_StartSignalMeasurement() and CddEcap_StopSignalMeasurement() from the code.

Origin

Texas Instruments

Post-Build-Variant-Value

false

Value-Configuration-Class

Pre-Compile-Time

VARIANT-PRE-COMPILE

Default-value

true

4.12.9.4.10. CddEcapTimestampApi

Item

Name

CddEcapTimestampApi

Description

Adds / removes all services related to the timestamping functionality as listed below from the code: CddEcap_StartTimestamp(), CddEcap_StopTimestamp(), CddEcap_GetTimestampIndex().

Origin

Texas Instruments

Post-Build-Variant-Value

false

Value-Configuration-Class

Pre-Compile-Time

VARIANT-PRE-COMPILE

Default-value

false

4.12.9.5. Steps To Configure Cdd Ecap Module

  1. Open EB Tresos configurator tool, load Cdd_Ecap module. Select the Precompile Config Variant.

  2. Configure the required parameters.

  3. Save the configuration and generate the configuration.

4.12.10. Examples

The example applications demonstrates usecases of the Cdd Ecap driver APIs. The examples are explained below in detailed.

4.12.10.1. Cdd_Ecap_Capture_Signal

4.12.10.1.1. Overview of Cdd_Ecap_Capture_Signal

This example configures 4 channels of Cdd ECAP in different modes and captures a PWM signal.

Cdd Ecap Channel

Measurement Mode

Input

ECAP Instance and interrupt used

Notification handler

Activation

Other

Channel 0

Signal Measurement Mode

INPUTXBAR7

ECAP1, Interrupt 78

Signal Measurement property is high time

Channel 1

Time Stamp Mode

INPUTXBAR7

ECAP2, Interrupt 79

TimeStampNotify

Rising Edge

Buffer type is Circular

Channel 2

Edge Counter Mode

INPUTXBAR7

ECAP3, Interrupt 80

Rising Edge

Channel 3

Signal Edge Detect

INPUTXBAR7

ECAP4, Interrupt 81

SignalNotify

Rising Edge

Input Xbar 7 is configured to use GPIO1 as input PWM signal (EPWM1_A) is generated on the GPIO0.

  • Cdd_Ecap_Capture_Signal

    • EcuM_Init()

      • Initializes clock to 200 MHz using Mcu_Init().

      • Initializes pins as GPIO Outputs and GPIO Inputs using Port_Init()

      • Initializes Cdd_Ecap driver using Cdd_Ecap_Init()

    • Cdd_Ecap_StartSignalMeasurement starts signal measurement on Cdd ECAP Channel 0 using ECAP0. Cdd_Ecap_GetDutyCycleValues and Cdd_Ecap_GetTimeElapsed gets duty cycle values.

    • Cdd_Ecap_StartTimestamp starts timestamping on Cdd ECAP Channel 1 using ECAP1 and Cdd_Ecap_EnableNotification enables timestamp notification

    • Cdd_Ecap_EnableEdgeCount starts edge counting on Cdd ECAP Channel 2 using ECAP2

    • Cdd_Ecap_EnableEdgeDetection starts edge detection on Cdd ECAP Channel 3 using ECAP3 and Cdd_Ecap_EnableNotification enables edge detection notification. Cdd_Ecap_GetInputState gets input state

    • Cdd_Ecap_DeInit de-initializes Cdd ECAP

4.12.10.2. Setup required to run Cdd_Ecap_Capture_Signal

  • Install Code Composer Studio(CCS) latest version

  • Install latest c29 compiler

  • Connect the hardware (Loopback from GPIO0 to GPIO1. On HSEC dock, this is from HSEC49 to HSEC50) and power up

  • Connect the uart set up to check the log on serial console

4.12.10.3. How to run Cdd_Ecap_Capture_Signal

  • Open CCS and import Cdd Ecap Example

  • Build project and start debug project

4.12.10.3.1. Sample Log of Cdd_Ecap_Capture_Signal

Cdd_Ecap_Capture_Signal Example Application - STARTS!
 
 Cdd Ecap MCAL Version Info
 --------------------------
 Vendor ID           : 44
 Module ID           : 255
 SW Major Version    : 3
 SW Minor Version    : 0
 SW Patch Version    : 0
 
 Signal Measurement Start on Channel 0 ...
High time of the signal is: 251
Period of the signal is: 1002
 
 Timestamping Start on Channel 1...
Timestamps in Buffer 
buffer[0]: 0xb868 (47208) 
buffer[1]: 0xbc52 (48210) 
buffer[2]: 0xc03c (49212) 
buffer[3]: 0xc426 (50214) 
buffer[4]: 0xc810 (51216) 
buffer[5]: 0xcbfa (52218) 
buffer[6]: 0xcfe4 (53220) 
buffer[7]: 0xd3ce (54222) 
buffer[8]: 0xd7b8 (55224) 
buffer[9]: 0xdba2 (56226) 
buffer[10]: 0xdf8c (57228) 
buffer[11]: 0xe376 (58230) 
buffer[12]: 0xe760 (59232) 
buffer[13]: 0x9d02 (40194) 
buffer[14]: 0xa0ec (41196) 
buffer[15]: 0xa4d6 (42198) 
buffer[16]: 0xa8c0 (43200) 
buffer[17]: 0xacaa (44202) 
buffer[18]: 0xb094 (45204) 
buffer[19]: 0xb47e (46206) 
 
 Edge Counting Start on Channel 2...
Edge count is: 1276
 
 Edge Detection Start on Channel 3...
Number of edges detected is: 1363
 
Cdd_Ecap_Capture_Signal Example Application - ENDS!

4.12.10.4. Cdd_Ecap_HrMode

4.12.10.4.1. Overview of Cdd_Ecap_HrMode

This example configures ECAP in HR mode and measures the high time and period time. This example demonstrates the HR mode for precise signal measurement. A PWM signal of fixed duty and time period is used for this purpose.

Cdd Ecap Channel

Measurement Mode

Input

ECAP Instance and interrupt used

Notification handler

Activation

Other

Channel 0

Signal Measurement Mode

INPUTXBAR7

ECAP5, HRCAP5, Interrupt 82, 83

Signal Measurement property is high time

Input Xbar 7 is configured to use GPIO1 as input PWM signal (EPWM1_A) is generated on the GPIO0.

  • Cdd_Ecap_HrMode

    • EcuM_Init()

      • Initializes clock to 200 MHz using Mcu_Init().

      • Initializes pins as GPIO Outputs and GPIO Inputs using Port_Init()

      • Initializes Cdd_Ecap driver using Cdd_Ecap_Init()

    • Cdd_Ecap_StartSignalMeasurement starts signal measurement on Cdd ECAP Channel 0 using ECAP5. Cdd_Ecap_GetDutyCycleValues and Cdd_Ecap_GetTimeElapsed gets duty cycle values.

    • Cdd_Ecap_GetHrScaleFactor returns scalefactor.

    • Cdd_Ecap_ConvertHrTimeStampToEcapTimeStamp converts timestamp from HRCLK to SYSCLK domain

    • Cdd_Ecap_DeInit de-initializes Cdd ECAP

4.12.10.5. Setup required to run Cdd_Ecap_HrMode

  • Install Code Composer Studio(CCS) latest version

  • Install latest c29 compiler

  • Connect the hardware (Loopback from GPIO0 to GPIO1. On HSEC dock, this is from HSEC49 to HSEC50) and power up

  • Connect the uart set up to check the log on serial console

4.12.10.6. How to run Cdd_Ecap_HrMode

  • Open CCS and import Cdd Ecap Example

  • Build project and start debug project

4.12.10.6.1. Sample Log of Cdd_Ecap_HrMode

Cdd_Ecap_HrMode Example Application - STARTS!
 
 Cdd Ecap MCAL Version Info
 --------------------------
 Vendor ID           : 44
 Module ID           : 255
 SW Major Version    : 3
 SW Minor Version    : 0
 SW Patch Version    : 0
 
Signal Measurement Start on Channel 0 ...
Example passed!!!
High time of the signal in nano-secs is: 1251.290649
Period of the signal in nano-secs is: 5010.710938
 
Cdd_Ecap_HrMode Example Application - ENDS!

4.12.10.7. File Structure

📦f29h85x_mcal
┣ 📂build
┣ 📂docs
┣ 📂drivers
┣ 📂examples
┃ ┣ 📂AppUtils
┃ ┣ 📂Can
┃ ┣ 📂Cdd_Adc
┃ ┣ 📂Cdd Ecap
┃ ┃ ┣ 📂 Cdd_Ecap_Capture_Signal
┃ ┃ ┃ ┣ 📂CCS
┃ ┃ ┃ ┃ ┗ 📜Cdd_Ecap_Capture_Signal.projectspec
┃ ┃ ┃ ┣ 📂Cdd_Ecap_Capture_Signal_Config
┃ ┃ ┃ ┃ ┣ 📂config
┃ ┃ ┃ ┃ ┃ ┣ 📜Dem.xdm
┃ ┃ ┃ ┃ ┃ ┣ 📜EcuM.xdm
┃ ┃ ┃ ┃ ┃ ┣ 📜Mcu.xdm
┃ ┃ ┃ ┃ ┃ ┣ 📜Os.xdm
┃ ┃ ┃ ┃ ┃ ┣ 📜Port.xdm
┃ ┃ ┃ ┃ ┃ ┣ 📜Cdd_Pwm.xdm
┃ ┃ ┃ ┃ ┃ ┣ 📜Cdd_Xbar.xdm
┃ ┃ ┃ ┃ ┃ ┗ 📜Cdd_Ecap.xdm : Generated EB Tresos config file in .xdm format
┃ ┃ ┃ ┃ ┣ 📂include
┃ ┃ ┃ ┃ ┃ ┣ 📜Dem_Cfg.h
┃ ┃ ┃ ┃ ┃ ┣ 📜EcuM_Cfg.h
┃ ┃ ┃ ┃ ┃ ┣ 📜Mcu_Cfg.h
┃ ┃ ┃ ┃ ┃ ┣ 📜Os_Cfg.h
┃ ┃ ┃ ┃ ┃ ┣ 📜Port_Cfg.h
┃ ┃ ┃ ┃ ┃ ┣ 📜Cdd_Pwm.h
┃ ┃ ┃ ┃ ┃ ┣ 📜Cdd_Xbar.h
┃ ┃ ┃ ┃ ┃ ┗ 📜Cdd_Ecap_Cfg.h : Contains the generated pre-compiler configuration header
┃ ┃ ┃ ┃ ┣ 📂src
┃ ┃ ┃ ┃ ┃ ┣ 📜Dem_Cfg.c
┃ ┃ ┃ ┃ ┃ ┣ 📜EcuM_Cfg.c
┃ ┃ ┃ ┃ ┃ ┣ 📜Mcu_PBcfg.c
┃ ┃ ┃ ┃ ┃ ┣ 📜Os_Cfg.c
┃ ┃ ┃ ┃ ┃ ┣ 📜Port_Cfg.c
┃ ┃ ┃ ┃ ┃ ┣ 📜Cdd_Pwm.c
┃ ┃ ┃ ┃ ┃ ┣ 📜Cdd_Xbar.c
┃ ┃ ┃ ┃ ┃ ┗ 📜Cdd_Ecap_Cfg.c : Contains the generated pre-compiler configuration source
┃ ┃ ┃ ┃ ┣ 📂swcd
┃ ┃ ┃ ┃ ┃ ┗ 📜Cdd_Xbar_BSWMD.arxml
┃ ┃ ┃ ┃ ┗ 📜CMakeLists.txt
┃ ┃ ┃ ┣ 📜CMakeLists.txt
┃ ┃ ┗ ┗ 📜Cdd_Ecap_Capture_Signal.c: Example application for Cdd Ecap
┃ ┗ 📜CMakeLists.txt
┃ ┣ 📂Cdd_Ipc
┃ ┣ 📂Cdd_Pwm
┃ ┣ 📂Cdd_Sent
┃ ┣ 📂Cdd_Uart
┃ ┣ 📂Cdd_Xbar
┃ ┣ 📂DeviceSupport
┃ ┣ 📂Dio
┃ ┣ 📂Fls
┃ ┣ 📂Gpt
┃ ┣ 📂Lin
┃ ┣ 📂Mcu
┃ ┣ 📂Port
┃ ┣ 📂Spi
┃ ┗ 📂Wdg
┣ 📂plugins
┣ 📜CMakeLists.txt
┗ 📜CMakePresets.json