4.18. CDD UART Module

4.18.1. Acronyms and Definitions

Abbreviation/Term

Explanation

AUTOSAR

Automotive Open System Architecture

UART

Universal Asynchronous Receiver/Transmitter

ISR

Interrupt Service Routine

INT

Interrupt

API

Application Programming Interface

BSW

Basic Software

ECU

Electronic Control Unit

DET

Development Error Tracer

HW

Hardware

SW

Software

I/O

Input Output

RTDMA

Real-Time Direct Memory Access Controller

FIFO

First In First Out

SIR-Encoder

Serial Infrared Encoder

MCAL

Microcontroller Abstraction Layer

RTE

Runtime Environmental

EOT

End Of Transmission

CDD

Complex Device Driver

SYSCLK

System Clock

IrDA

Infrared Data Association

4.18.2. Introduction

The UART driver is a part of complex device drivers (CDD) which provides data read and write transfer using the module unit channels in the device board.

CDD_UART MCAL AUTOSAR

Fig. 4.81 CDD_UART MCAL AUTOSAR

This document details AUTOSAR BSW CDD_UART module implementation

Supported AUTOSAR Release

4.3.1

Supported Configuration Variants

Pre-Compile

Vendor ID

CDD_UART_VENDOR_ID (44)

Module ID

CDD_UART_MODULE_ID (255)

4.18.3. Functional Overview

The UART module performs the functions of parallel-to-serial and serial-to-parallel conversions. The transmit logic performs parallel-to-serial conversion on the data read from the transmit FIFO. The control logic outputs the serial bit stream beginning with a start bit and followed by the data bits (LSB first), parity bit, and the stop bits according to the programmed configuration in the control registers. The receive logic performs serial-to-parallel conversion on the received bit stream after a valid start pulse has been detected. Overrun, parity, frame error checking, and line-break detection are also performed, and the status accompanies the data that is written to the receive FIFO.

4.18.4. Hardware Features

4.18.4.1. Hardware Features supported

The Universal Asynchronous Receiver/Transmitter (UART) module in this device contains the following features:

  • Programmable baud-rate generator allowing speeds up to 12.5Mbps for regular speed (divide by 16) and 25Mbps for high speed (divide by 8)

  • Separate 16-deep and 8-bit wide transmit (TX) and receive (RX) FIFOs to reduce CPU interrupt service loading

  • Programmable FIFO length providing conventional double-buffered interface

  • FIFO trigger levels of ⅛, ¼, ½, ¾, and ⅞

  • Standard asynchronous communication bits for start, stop, and parity

  • Line-break generation and detection

  • Fully programmable serial interface characteristics

    • 5, 6, 7, or 8 data bits

    • Even, odd, stick, or no parity bit generation and detection

    • 1 or 2 stop bit generation

  • IrDA serial-IR (SIR) encoder and decoder providing

    • Programmable use of IrDA SIR or UART input/output

    • Support of IrDA SIR encoder and decoder functions for data rates up to 115.2kbps half-duplex

    • Support of normal 3/16 and low-power (1.41 to 2.23μs) bit durations

    • Programmable internal clock generator enabling division of reference clock by 1 to 256 for low-power mode bit duration

  • EIA-485 9-bit support

  • Standard FIFO-level and End-of-Transmission (EOT) interrupts

  • Efficient transfers using Real-Time Direct Memory Access Controller (RTDMA)

    • Separate channels for transmit and receive

    • Receive single request asserted when data is in the FIFO; burst request asserted at programmed FIFO level

    • Transmit single request asserted when there is space in the FIFO; burst request asserted at programmed FIFO level

  • SYSCLK is used to generate the baud clock.

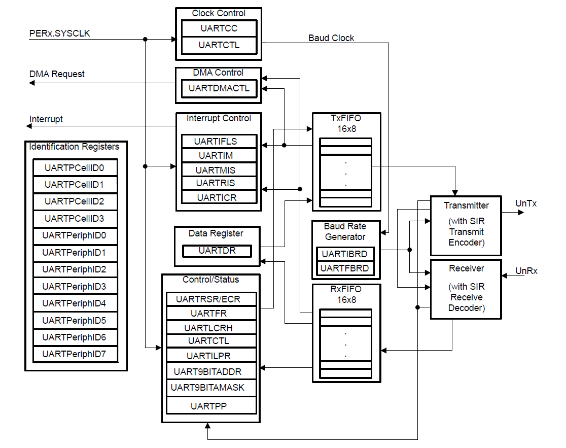
Cdd_Uart Block diagram

Fig. 4.82 Cdd_Uart Block Diagram

4.18.4.2. Features not supported by Hardware

None

4.18.4.3. Features Not supported by the driver

  • DMA

  • 9-bit mode data transfer

  • IrDA

  • Polling mode read

4.18.4.4. Non compliance

None

4.18.5. Source files

📦f29h85x_mcal
┣ 📂build
┣ 📂docs
┣ 📂drivers
┃ ┣ 📂BSW_Stubs
┃ ┣ 📂Can
┃ ┣ 📂Cdd_Uart
┃ ┃ ┣ 📂include
┃ ┃ ┃ ┣ 📜Cdd_Uart.h : Contains the API declarations of the Cdd_Uart driver to be used by upper layers.
┃ ┃ ┃ ┣ 📜Cdd_Uart_Priv.h : Contains data structures and Internal function declarations.
┃ ┃ ┣ 📂src
┃ ┃ ┃ ┣ 📜Cdd_Uart.c : Contains the implementation of the API for Cdd_Uart driver.
┃ ┃ ┃ ┣ 📜Cdd_Uart_Irq.c : Contains the implementation for Cdd_Uart interrupts handlers.
┃ ┃ ┃ ┗ 📜Cdd_Uart_Priv.c : Contains Functions that support the API for Cdd_Uart driver
┃ ┃ ┗ 📜CMakeLists.txt
┃ ┣ 📂Dio
┃ ┣ 📂Gpt
┃ ┣ 📂hw_include
┃ ┣ 📂Mcal_Lib
┃ ┣ 📂Mcu
┃ ┗ 📂Port
┣ 📂examples
┣ 📂plugins
┣ 📜CMakeLists.txt
┗ 📜CMakePresets.json

Cdd_Uart Header File Structure

Fig. 4.83 Cdd_Uart Header File Structure

4.18.6. Module requirements

4.18.6.1. Memory Mapping

Will be added in later release

4.18.6.2. Scheduling

None

4.18.6.3. Error handling

Development errors are reported to the DET using the service Det_ReportError(), when enabled. The driver interface contains the MACRO declaration of the error codes to be returned.

4.18.6.4. Error codes

4.18.6.4.1. Development Errors

Type of Error

Related Error code

Value (Hex)

API service used without module initialization

CDD_UART_E_UNINIT

0x01U

API Cdd_Uart_Init service called while the UART driver has already been initialized

CDD_UART_E_ALREADY_INITIALIZED

0x02U

API service called with invalid parameter value

CDD_UART_E_PARAM_VALUE

0x03U

API service called with invalid data buffer pointer

CDD_UART_E_PARAM_POINTER

0x04U

API service called with invalid hardware index

CDD_UART_E_PARAM_HWINDEX

0x05U

API Service called without initialization

CDD_UART_E_NOT_INITIALIZED

0x06U

API service called when UART is busy

CDD_UART_E_BUSY

0x07U

4.18.6.4.2. Runtime Errors

None

4.18.7. Used resources

4.18.7.1. Interrupt Handling

Cdd_Uart driver provides ISRs. The ISRs are implemented in the Cdd_Uart_Irq.c file. Interrupt and the category should be selected in the Cdd_Uart plugin.The Interrupt ID associated with the UART instance is mentioned in the TRM (also, please refer the Example application).

Cdd_Uart Instance

Interrupt handler

UartA

Cdd_Uart_A_ISR

UartB

Cdd_Uart_B_ISR

UartC

Cdd_Uart_C_ISR

UartD

Cdd_Uart_D_ISR

UartE

Cdd_Uart_E_ISR

UartF

Cdd_Uart_F_ISR

4.18.7.2. Instance support

CPU instances

supported

CPU 1

YES

CPU 2

NO

CPU 3

NO

4.18.7.3. Hardware-Software Mapping

Below image shows Cdd_Uart driver Hardware-Software mapping. For more information related to HW/SW mapping, refer the F29x Technical Reference Manual.

Cdd_Uart HW/SW Mapping

Fig. 4.84 Cdd_Uart HW/SW Mapping

4.18.8. Integration description

4.18.8.1. Dependent modules

4.18.8.1.1. DET

This driver depends on the DET in order to report development and runtime errors. The detection of development errors is configurable ON/OFF. The switch UART_CFG_DEV_ERROR_DETECT will activate or deactivate the detection of development errors. Runtime errors are reported even when UART_CFG_DEV_ERROR_DETECT is OFF.

4.18.8.1.2. SchM

If multiple AUTOSAR runnables have access to the same Data Store Memory block, the exported AUTOSAR specification enforces data consistency by using an AUTOSAR exclusive area. With this specification, the runnables have mutually exclusive access to the per-instance memory global data, which prevents data corruption. Beside the OS, the BSW Scheduler provides functions that CDD_UART module calls at begin and end of critical sections. This implementation requires 1 level of exclusive access to guard critical sections.

The data consistency mechanism that has to be applied to an ExclusiveArea might be domain, ECU or even project specific. The decision which mechanism has to be applied by RTE / Basic Software Scheduler is taken during ECU integration by setting the Exclusive Area configuration parameter RteExclusiveAreaImplMechanism. This parameter is an input for RTE generator.

For CDD_UART Module, data consistency and exclusive access to critical sections are required for the following sections as shown in the table below:

Exclusive Area Functions used

CDD_UART Function calling Exclusive Area

Need for Exclusive Area

Recommended Exclusive Area Mapping

CDD_UART_EXCLUSIVE_AREA_0

Cdd_Uart_Write
Cdd_Uart_CancelWrite
Cdd_Uart_GetWriteStatus

To protect against multiple access for shared resources which can lead to race condition

ALL_INTERRUPT_BLOCKING : All interrupts should be blocked if these API’s are called in the interrupts.
OS_RESOURCE : If the CDD UART APIs are only called from pre-emptible task context, its recommended to use this mechanism as it takes care of resource access protection and task priority management.

CDD_UART_EXCLUSIVE_AREA_1

Cdd_Uart_Read
Cdd_Uart_CancelRead
Cdd_Uart_GetReadStatus

To protect against multiple access for shared resources which can lead to race condition

ALL_INTERRUPT_BLOCKING : All interrupts should be blocked if these API’s are called in the interrupts.
OS_RESOURCE : If the CDD UART APIs are only called from pre-emptible task context, its recommended to use this mechanism as it takes care of resource access protection and task priority management.

4.18.8.1.3. MCU

MCU Module is required for the Uart Baudrate initialization.

4.18.8.1.4. Port

The Port module configures the analog port pins used for the UART driver. Hence, the Port driver has to be initialized prior to use UART functions and to observe proper conversion results. Otherwise incorrect conversion results will be observed.

4.18.8.1.5. OS

The Cdd_Uart driver uses interrupts and therefore depends on OS, which configures the interrupts.

4.18.8.2. Resource Allocator

The UART module references the Resource Allocator for device, package, and variant configuration. See the Resource Allocator Module User Guide for details on configuring device-specific settings.

4.18.8.2.1. Resource Allocator Usage Example

To allocate UARTA to CPU1 using FRAME0:

  1. In the Resource Allocator configuration, create a new Uart instance allocation

  2. Set InstanceName to UARTA

  3. Set Frame to FRAME0

  4. The BaseAddr will be automatically calculated as UARTA_DRIVER_BASE_FRAME(0U)

Resource Allocator Configuration:
├── UartInstanceAllocation
│   ├── InstanceName: UARTA
│   ├── Frame: FRAME0
│   └── BaseAddr: UARTA_DRIVER_BASE_FRAME(0U)

4.18.9. Configuration

The Cdd Uart Driver implementation supports single configuration variants, namely Pre-Compile config. The driver expects generated Cdd_Uart_Cfg.h to be present as input file. The associated Cdd Uart driver configuration generated source file is Cdd_Uart_Cfg.c.

The generated configuration files should not be modified manually. The config tool Elektrobit Tresos should be used to modify the configuration files.

Note

Refer section Getting Started with EB Tresos of Chapter MCAL Configuration and EB Tresos for more information on how to load plugin and generate the configuration files.

4.18.9.1. Configuration Parameters

4.18.9.2. CddUartConfigSet

This container contains the configuration parameters and sub containers of the CddUart module.

4.18.9.2.1. CddUartConfig

This container contains the configuration parameters of the CddUart HW units.

4.18.9.2.1.1. CddUartBaseAddress

Item

Name

CddUartBaseAddress

Description

Specifies the CddUart HW unit base address.

Origin

Texas Instruments

Post-Build-Variant-Value

false

Value-Configuration-Class

Pre-Compile-Time

VARIANT-PRE-COMPILE

Default-value

UARTA_BASE_FRAME(0)

4.18.9.2.1.2. CddUartHWUnitId

Item

Name

CddUartHWUnitId

Description

This parameter provides the HW unit ID which is unique in a given CddUart Driver. The value for this parameter starts with 0 and continue without any gaps.

Origin

Texas Instruments

Post-Build-Variant-Value

false

Value-Configuration-Class

Pre-Compile-Time

VARIANT-PRE-COMPILE

Default-value

0

Max-value

5

Min-value

0

4.18.9.2.1.3. CddUartBaudRate

Item

Name

CddUartBaudRate

Description

This parameter takes the input value of Baud Rate for both the channel (Write/Read)

Origin

Texas Instruments

Post-Build-Variant-Value

false

Value-Configuration-Class

Pre-Compile-Time

VARIANT-PRE-COMPILE

Default-value

0

Max-value

25000000

Min-value

0

4.18.9.2.1.4. CddUartProcessingMode

Item

Name

CddUartProcessingMode

Description

Defines the Uart Processing mode.

Origin

Texas Instruments

Post-Build-Variant-Value

false

Value-Configuration-Class

Pre-Compile-Time

VARIANT-PRE-COMPILE

Default-value

CDD_UART_MODE_INTERRUPT

Range

CDD_UART_MODE_POLLING
CDD_UART_MODE_INTERRUPT

4.18.9.2.1.5. CddUartFIFOModeEnable

Item

Name

CddUartFIFOModeEnable

Description

Enable/Disable FIFO Mode.

Origin

Texas Instruments

Post-Build-Variant-Value

false

Value-Configuration-Class

Pre-Compile-Time

VARIANT-PRE-COMPILE

Default-value

false

4.18.9.2.1.6. CddUartInteruptType

Item

Name

CddUartInteruptType

Description

This parameter specifies the category of Interrupt Request for callbacks.

Multiplicity-Configuration-Class

Pre-Compile Time

VARIANT-PRE-COMPILE

Origin

Texas Instruments

Post-build-variant-multiplicity

false

Post-Build-Variant-Value

false

Value-Configuration-Class

Pre-Compile-Time

VARIANT-PRE-COMPILE

Default-value

CDD_UART_ISR_CAT1_INT

Range

CDD_UART_ISR_CAT1_RTINT
CDD_UART_ISR_CAT1_INT
CDD_UART_ISR_CAT2

4.18.9.2.1.7. CddUartParityModeEnable

Item

Name

CddUartParityModeEnable

Description

Enable/Disable Parity mode.

Origin

Texas Instruments

Post-Build-Variant-Value

false

Value-Configuration-Class

Pre-Compile-Time

VARIANT-PRE-COMPILE

Default-value

false

4.18.9.2.1.8. CddUartParityBit

Item

Name

CddUartParityBit

Description

type of parity bit in the frame

Multiplicity-Configuration-Class

Pre-Compile Time

VARIANT-PRE-COMPILE

Origin

Texas Instruments

Post-build-variant-multiplicity

false

Post-Build-Variant-Value

false

Value-Configuration-Class

Pre-Compile-Time

VARIANT-PRE-COMPILE

Default-value

CDD_UART_PARITY_EVEN

Range

CDD_UART_PARITY_EVEN
CDD_UART_PARITY_ODD

4.18.9.2.1.9. CddUartStopBit

Item

Name

CddUartStopBit

Description

number of stop bits in the frame

Origin

Texas Instruments

Post-Build-Variant-Value

false

Value-Configuration-Class

Pre-Compile-Time

VARIANT-PRE-COMPILE

Default-value

CDD_UART_STOP_BITS_1

Range

CDD_UART_STOP_BITS_1
CDD_UART_STOP_BITS_2

4.18.9.2.1.10. CddUartWordLength

Item

Name

CddUartWordLength

Description

word length of a frame

Origin

Texas Instruments

Post-Build-Variant-Value

false

Value-Configuration-Class

Pre-Compile-Time

VARIANT-PRE-COMPILE

Default-value

CDD_UART_WORD_LENGTH_8

Range

CDD_UART_WORD_LENGTH_8
CDD_UART_WORD_LENGTH_7
CDD_UART_WORD_LENGTH_6
CDD_UART_WORD_LENGTH_5

4.18.9.2.1.11. CddUartEnableWrite

Item

Name

CddUartEnableWrite

Description

Enable/Disable Write Mode.

Origin

Texas Instruments

Post-Build-Variant-Value

false

Value-Configuration-Class

Pre-Compile-Time

VARIANT-PRE-COMPILE

Default-value

true

4.18.9.2.1.12. CddUartEnableRead

Item

Name

CddUartEnableRead

Description

Enable/Disable Read Mode.

Origin

Texas Instruments

Post-Build-Variant-Value

false

Value-Configuration-Class

Pre-Compile-Time

VARIANT-PRE-COMPILE

Default-value

true

4.18.9.2.1.13. CddUartLoopBackModeEnable

Item

Name

CddUartLoopBackModeEnable

Description

Enable/Disable Loop Back Mode.

Origin

Texas Instruments

Post-Build-Variant-Value

false

Value-Configuration-Class

Pre-Compile-Time

VARIANT-PRE-COMPILE

Default-value

false

4.18.9.2.1.14. CddUartInstance

Item

Name

CddUartInstance

Description

Reference to the Cdd_Uart Instance.

Origin

Texas Instruments

Post-Build-Variant-Value

false

Value-Configuration-Class

Pre-Compile-Time

VARIANT-PRE-COMPILE

4.18.9.2.1.15. CddUartClockFreq

Item

Name

CddUartClockFreq

Description

This parameter takes the input value of clock frequency

Origin

Texas Instruments

Post-Build-Variant-Value

false

Value-Configuration-Class

Pre-Compile-Time

VARIANT-PRE-COMPILE

4.18.9.2.2. CddUartWriteConfig

This container contains the configuration parameters of the CddUart Write

4.18.9.2.2.1. CddUartWriteNotificationHandler

Item

Name

CddUartWriteNotificationHandler

Description

This parameter is a write notification handler function.

Multiplicity-Configuration-Class

Pre-Compile Time

VARIANT-PRE-COMPILE

Origin

Texas Instruments

Post-build-variant-multiplicity

false

Post-Build-Variant-Value

false

Value-Configuration-Class

Pre-Compile-Time

VARIANT-PRE-COMPILE

Default-value

NULL_PTR

4.18.9.2.2.2. CddUartTriggerLevelWriteFIFO

Item

Name

CddUartTriggerLevelWriteFIFO

Description

set interrupt trigger level of Write FIFO

Multiplicity-Configuration-Class

Pre-Compile Time

VARIANT-PRE-COMPILE

Origin

Texas Instruments

Post-build-variant-multiplicity

false

Post-Build-Variant-Value

false

Value-Configuration-Class

Pre-Compile-Time

VARIANT-PRE-COMPILE

Default-value

CDD_UART_FIFO_LEVEL_1_2

Range

CDD_UART_FIFO_LEVEL_1_8
CDD_UART_FIFO_LEVEL_1_4
CDD_UART_FIFO_LEVEL_1_2
CDD_UART_FIFO_LEVEL_3_4
CDD_UART_FIFO_LEVEL_7_8

4.18.9.2.3. CddUartReadConfig

This container contains the configuration parameters of the CddUart Read

4.18.9.2.3.1. CddUartReadNotificationHandler

Item

Name

CddUartReadNotificationHandler

Description

This parameter is a read notification handler function.

Origin

Texas Instruments

Post-Build-Variant-Value

false

Value-Configuration-Class

Pre-Compile-Time

VARIANT-PRE-COMPILE

Default-value

NULL_PTR

4.18.9.2.3.2. CddUartErrorNotificationHandler

Item

Name

CddUartErrorNotificationHandler

Description

This parameter is a error notification handler function.

Multiplicity-Configuration-Class

Pre-Compile Time

VARIANT-PRE-COMPILE

Origin

Texas Instruments

Post-build-variant-multiplicity

false

Post-Build-Variant-Value

false

Value-Configuration-Class

Pre-Compile-Time

VARIANT-PRE-COMPILE

Default-value

NULL_PTR

4.18.9.2.3.3. CddUartTriggerLevelReadFIFO

Item

Name

CddUartTriggerLevelReadFIFO

Description

set interrupt trigger level of Read FIFO

Multiplicity-Configuration-Class

Pre-Compile Time

VARIANT-PRE-COMPILE

Origin

Texas Instruments

Post-build-variant-multiplicity

false

Post-Build-Variant-Value

false

Value-Configuration-Class

Pre-Compile-Time

VARIANT-PRE-COMPILE

Default-value

CDD_UART_FIFO_LEVEL_1_2

Range

CDD_UART_FIFO_LEVEL_1_8
CDD_UART_FIFO_LEVEL_1_4
CDD_UART_FIFO_LEVEL_1_2
CDD_UART_FIFO_LEVEL_3_4
CDD_UART_FIFO_LEVEL_7_8

4.18.9.3. CddUartGeneral

General CddUart` module configuration parameters.

4.18.9.3.1. CddUartMainFunctionWritePeriod

Item

Name

CddUartMainFunctionWritePeriod

Description

This parameter describes the period for cyclic call to Cdd_Uart_MainFunction_Write. Unit is seconds.

Origin

Texas Instruments

Post-Build-Variant-Value

false

Value-Configuration-Class

Pre-Compile-Time

VARIANT-PRE-COMPILE

Default-value

0.01

Max-value

INF

Min-value

1.0E-6

4.18.9.3.2. CddUartDevErrorDetect

Item

Name

CddUartDevErrorDetect

Description

Switches the development error detection and notification on or off.

Origin

Texas Instruments

Post-Build-Variant-Value

false

Value-Configuration-Class

Pre-Compile-Time

VARIANT-PRE-COMPILE

Default-value

true

4.18.9.4. Steps To Configure Cdd Uart Module

  1. Open EB Tresos configurator tool, load Cdd_Uart module. Select the Precompile Config Variant.

  2. Configure the required parameters.

  3. Save the configuration and generate the configuration.

4.18.10. Examples

The example applications demonstrates usecases of the Cdd_Uart driver APIs. The examples are explained below in detailed .

4.18.10.1. Cdd_Uart_Example_Loopback

4.18.10.1.1. Overview of Cdd_Uart_Example_Loopback

  • Cdd_Uart_Example_Loopback

    • EcuM_Init()

      • Initialize clock to 200 MHz using Mcu_Init()

      • Initialize pins in analog mode with Port_Init()

      • Initialize Cdd_Uart driver using Cdd_Uart_Init()

    • Loopback test executed on UART instance D

    • Transmit sample string data of varying lengths through the WRITE module

    • Read the data back through the READ module of the same instance

    • The received data is then meticulously verified against the original transmit data to ensure accuracy and correctness.

    • This process enables the detection of any errors or discrepancies, ensuring the reliability and functionality of the UART interface.

4.18.10.1.2. Setup required to run Cdd_Uart_Example_Loopback

  • Install Code Composer Studio(CCS) latest version

  • Install latest c29 compiler

  • Connect the hardware and power up

  • Connect the uart set up to check the log on serial console

4.18.10.1.3. How to run Cdd_Uart_Example_Loopback

  • Open CCS and Import Cdd_Uart_Example_Loopback

  • Build project and start debug project

4.18.10.1.4. Sample Log of Cdd_Uart_Example_Loopback

Cdd_Uart_Example_Loopback: Sample Application - Starts!!!
Cdd_Uart MCAL Version Info
---------------------
Vendor ID           : 44
Module ID           : 255
SW Major Version    : 2
SW Minor Version    : 0
SW Patch Version    : 0
Cdd_Uart_Example_Loopback: Sample Application - Completes successfully !!!

4.18.10.2. Cdd_Uart_Example_Read_Interrupt

4.18.10.2.1. Overview of Cdd_Uart_Example_Read_Interrupt

  • Cdd_Uart_Example_Read_Interrupt

    • EcuM_Init()

      • Initialize clock to 200 MHz using Mcu_Init()

      • Initialize pins in analog mode with Port_Init()

      • Initialize Cdd_Uart driver using Cdd_Uart_Init()

    • Read data to the transmit buffer using the Cdd_Uart_Read function

    • Wait for the reception to complete

    • Use the CddUartReadDoneCallback function to verify Cdd_Uart read interrupt functionality

    • The program reads data to the receive buffer and verifies that the reception is complete, demonstrating the reliability and functionality of the Cdd_Uart driver in interrupt mode.

4.18.10.2.2. Setup required to run Cdd_Uart_Example_Read_Interrupt

  • Install Code Composer Studio(CCS) latest version

  • Install latest c29 compiler

  • Connect the hardware and power up

  • Connect the uart set up to check the log on serial console

  • Connect GPIO86 (Tx pin) to the target’s Rx pin, and connect GPIO77 (Rx pin) to the target’s Tx pin

4.18.10.2.3. How to run Cdd_Uart_Example_Read_Interrupt

  • Open CCS and Import Cdd_Uart_Example_Read_Interrupt

  • Build project and start debug project

4.18.10.2.4. Sample Log of Cdd_Uart_Example_Read_Interrupt

Cdd_Uart_Example_Read_Interrupt: Sample Application - Starts!!!
Cdd_Uart MCAL Version Info
---------------------
Vendor ID           : 44
Module ID           : 255
SW Major Version    : 2
SW Minor Version    : 0
SW Patch Version    : 0
T
ex
asI
nstr
uments
T
ex
asI
nstr
uments
Cdd_Uart_Example_Read_Interrupt: Sample Application - Completes successfully !!!

4.18.10.3. Cdd_Uart_Example_Write_Interrupt

4.18.10.3.1. Overview of Cdd_Uart_Example_Write_Interrupt

  • Cdd_Uart_Example_Write_Interrupt

    • EcuM_Init()

      • Initialize clock to 200 MHz using Mcu_Init()

      • Initialize pins in analog mode with Port_Init()

      • Initialize Cdd_Uart driver using Cdd_Uart_Init()

    • Write data to the transmit buffer using the Cdd_Uart_Write function

    • Wait for the transmission to complete

    • Use the CddUartWriteDoneCallback function to verify Cdd_Uart write interrupt functionality

    • The program writes data to the transmit buffer and verifies that the transmission is complete, demonstrating the reliability and functionality of the Cdd_Uart driver in interrupt mode.

4.18.10.3.2. Setup required to run Cdd_Uart_Example_Write_Interrupt

  • Install Code Composer Studio(CCS) latest version

  • Install latest c29 compiler

  • Connect the hardware and power up

  • Connect the uart set up to check the log on serial console

  • Connect GPIO86 (Tx pin) to the target’s Rx pin, and connect GPIO77 (Rx pin) to the target’s Tx pin

4.18.10.3.3. How to run Cdd_Uart_Example_Write_Interrupt

  • Open CCS and Import Cdd_Uart_Example_Write_Interrupt

  • Build project and start debug project

4.18.10.3.4. Sample Log of Cdd_Uart_Example_Write_Interrupt

Cdd_Uart_Example_Write_Interrupt: Sample Application - Starts!!!
Cdd_Uart MCAL Version Info
---------------------
Vendor ID           : 44
Module ID           : 255
SW Major Version    : 3
SW Minor Version    : 0
SW Patch Version    : 0
Cdd_Uart_Example_Write_Interrupt: Sample Application - Completes successfully !!!

4.18.10.4. Cdd_Uart_Example_Write_Polling

4.18.10.4.1. Overview of Cdd_Uart_Example_Write_Polling

  • Cdd_Uart_Example_Write_Polling

    • EcuM_Init()

      • Initialize clock to 200 MHz using Mcu_Init()

      • Initialize pins in analog mode with Port_Init()

      • Initialize Cdd_Uart driver using Cdd_Uart_Init()

    • Write data to the transmit buffer using the Cdd_Uart_Write function, and polled using the Cdd_Uart_MainFunction_Write

    • Wait for the transmission to complete

    • Use the CddUartWriteDoneCallback function to verify Cdd_Uart write polling functionality

    • The program writes data to the transmit buffer and verifies that the transmission is complete, demonstrating the reliability and functionality of the Cdd_Uart driver in polling mode.

4.18.10.4.2. Setup required to run Cdd_Uart_Example_Write_Polling

  • Install Code Composer Studio(CCS) latest version

  • Install latest c29 compiler

  • Connect the hardware and power up

  • Connect the uart set up to check the log on serial console

  • Connect GPIO86 (Tx pin) to the target’s Rx pin, and connect GPIO77 (Rx pin) to the target’s Tx pin

4.18.10.4.3. How to run Cdd_Uart_Example_Write_Polling

  • Open CCS and Import Cdd_Uart_Example_Write_Polling

  • Build project and start debug project

4.18.10.4.4. Sample Log of Cdd_Uart_Example_Write_Polling

Cdd_Uart_Example_Write_Polling: Sample Application - Starts!!!
Cdd_Uart MCAL Version Info
---------------------
Vendor ID           : 44
Module ID           : 255
SW Major Version    : 2
SW Minor Version    : 0
SW Patch Version    : 0
Cdd_Uart_Example_Write_Polling: Sample Application - Completes successfully !!!
HHeHelHellHelloWHelloWorHelloWorld Texas Instruments
                                                     HelloWorld Texas InsHelloWorld Texas Instruments
                                                                                                      HelloWorld Texas Instruments
                                                                                                                                   HelloWorld Texas Instruments

4.18.10.5. Example File Structure

📦f29h85x_mcal
┣ 📂build
┣ 📂docs
┣ 📂drivers
┣ 📂examples
┃ ┣ 📂AppUtils
┃ ┣ 📂Can
┃ ┣ 📂Cdd_Uart
┃ ┃ ┗ 📂Cdd_Uart_Example_Loopback
┃ ┃ ┃ ┣ 📂CCS
┃ ┃ ┃ ┃ ┗ 📜Cdd_Uart_Example_Loopback.projectspec
┃ ┃ ┃ ┣ 📂Cdd_Uart_Example_Loopback_Config
┃ ┃ ┃ ┃ ┣ 📂config
┃ ┃ ┃ ┃ ┃ ┣ 📜Cdd_Uart.xdm : Generated EB Tresos config file in .xdm format
┃ ┃ ┃ ┃ ┃ ┣ 📜Dem.xdm
┃ ┃ ┃ ┃ ┃ ┣ 📜EcuM.xdm
┃ ┃ ┃ ┃ ┃ ┣ 📜Mcu.xdm
┃ ┃ ┃ ┃ ┃ ┣ 📜Os.xdm
┃ ┃ ┃ ┃ ┃ ┗ 📜Port.xdm
┃ ┃ ┃ ┃ ┣ 📂include
┃ ┃ ┃ ┃ ┃ ┣ 📜Cdd_Uart_Cfg.h : Contains the generated pre-compiler configuration header.*
┃ ┃ ┃ ┃ ┃ ┣ 📜Cdd_Uart_Cbk.h
┃ ┃ ┃ ┃ ┃ ┣ 📜Dem_Cfg.h
┃ ┃ ┃ ┃ ┃ ┣ 📜EcuM_Cfg.h
┃ ┃ ┃ ┃ ┃ ┣ 📜Mcu_Cfg.h
┃ ┃ ┃ ┃ ┃ ┣ 📜Os_Cfg.h
┃ ┃ ┃ ┃ ┃ ┗ 📜Port_Cfg.h
┃ ┃ ┃ ┃ ┣ 📂src
┃ ┃ ┃ ┃ ┃ ┣ 📜Cdd_Uart_Cfg.c : Contains the Pre-compile build configuration parameters.
┃ ┃ ┃ ┃ ┃ ┣ 📜Dem_Cfg.c
┃ ┃ ┃ ┃ ┃ ┣ 📜EcuM_Cfg.c
┃ ┃ ┃ ┃ ┃ ┣ 📜Mcu_PBcfg.c
┃ ┃ ┃ ┃ ┃ ┣ 📜Os_Cfg.c
┃ ┃ ┃ ┃ ┃ ┗ 📜Port_PBcfg.c
┃ ┃ ┃ ┃ ┗ 📜CMakeLists.txt
┃ ┃ ┃ ┣ 📜Cdd_Uart_Example_Loopback.c : Example application for Cdd_Uart.
┃ ┃ ┃ ┗ 📜CMakeLists.txt
┃ ┣ 📂Cdd_Sent
┃ ┣ 📂Cdd_Xbar
┃ ┣ 📂Device_Support
┃ ┣ 📂Dio
┃ ┣ 📂Gpt
┃ ┣ 📂Lin
┃ ┣ 📂Mcu
┃ ┣ 📂Port
┃ ┣ 📂Spi
┃ ┣ 📂Wdg
┣ 📂plugins
┣ 📜CMakeLists.txt
┗ 📜CMakePresets.json